EasyManua.ls Logo

Jet BD-920W - Saddle, Tailstock, and Bed Parts

Jet BD-920W
48 pages
Print Icon
To Next Page IconTo Next Page
To Next Page IconTo Next Page
To Previous Page IconTo Previous Page
To Previous Page IconTo Previous Page
Loading...
36
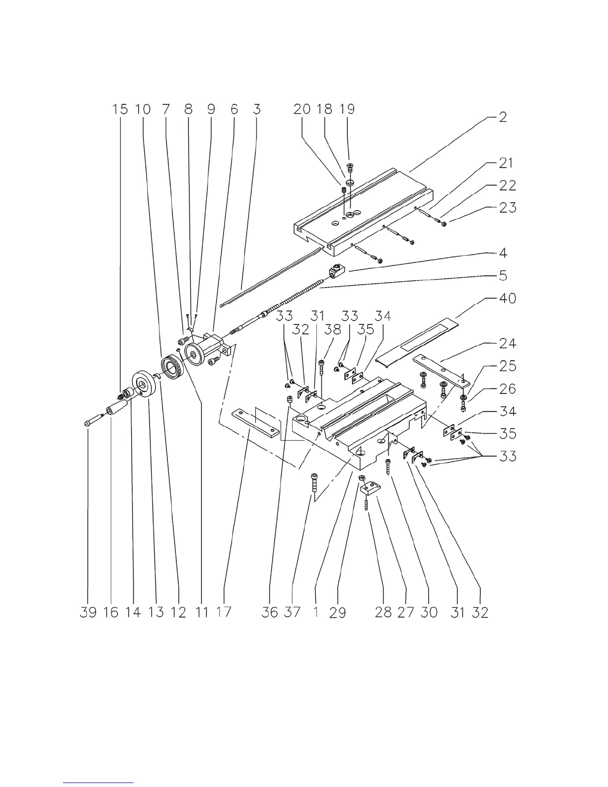
Saddle and Cross Slide – Exploded View

Table of Contents

Other manuals for Jet BD-920W

Related product manuals