EasyManua.ls Logo

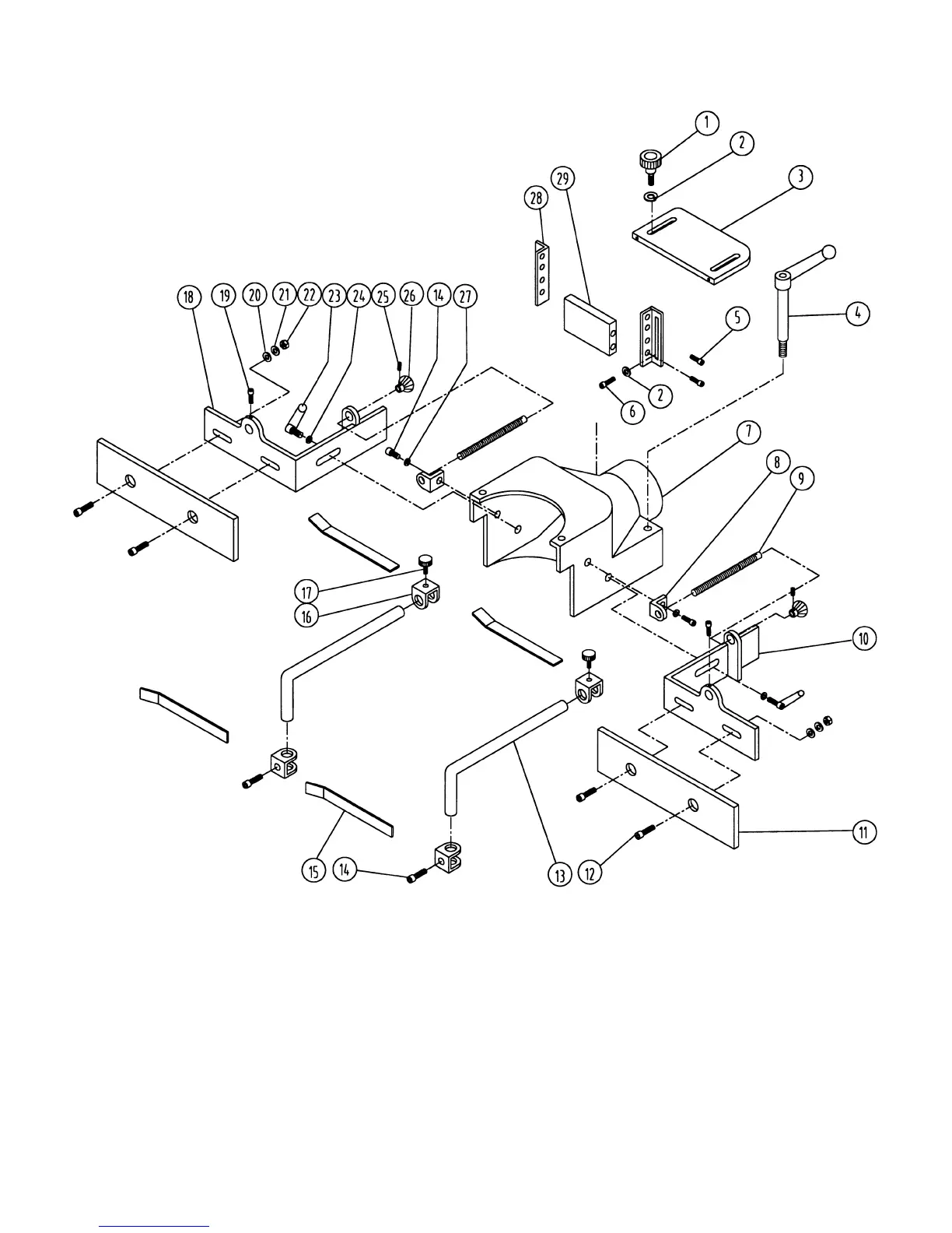
Jet JWS-25CS - Fence Breakdown Diagram

Jet JWS-25CS
24 pages
Print Icon
To Next Page IconTo Next Page
To Next Page IconTo Next Page
To Previous Page IconTo Previous Page
To Previous Page IconTo Previous Page
Loading...
22
Fence Breakdown

Related product manuals