EasyManua.ls Logo

Jet JWS-25CS - Electrical Schematic Diagram

Jet JWS-25CS
24 pages
Print Icon
To Previous Page IconTo Previous Page
To Previous Page IconTo Previous Page
Loading...
24
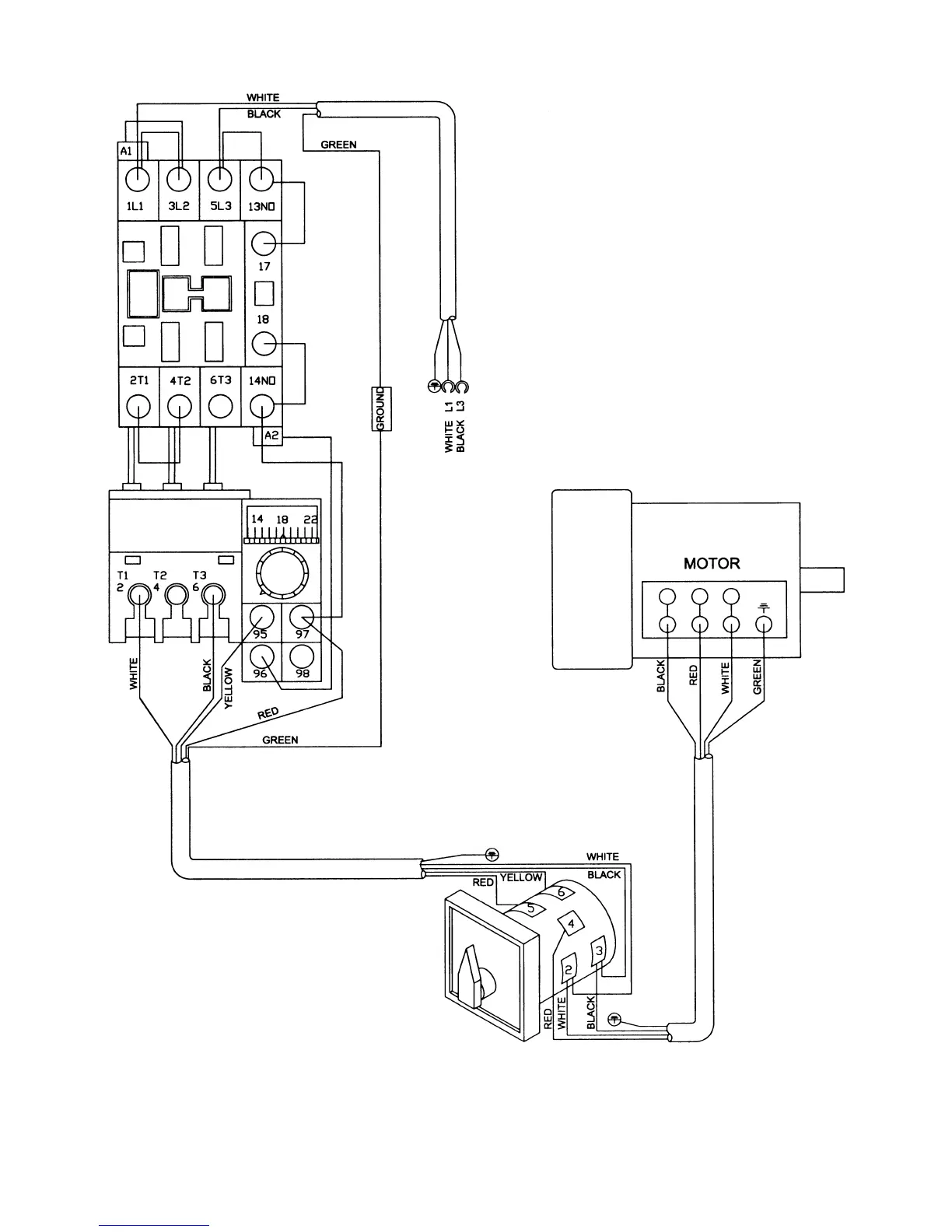
Electrical Schematic

Related product manuals