EasyManua.ls Logo

Johnston VT502 - Page 113

Default Icon
220 pages
Print Icon
To Next Page IconTo Next Page
To Next Page IconTo Next Page
To Previous Page IconTo Previous Page
To Previous Page IconTo Previous Page
Loading...
MA3:77
V Range 502 l 652 l 802 Maintenance Manual
Johnston Sweepers Limited
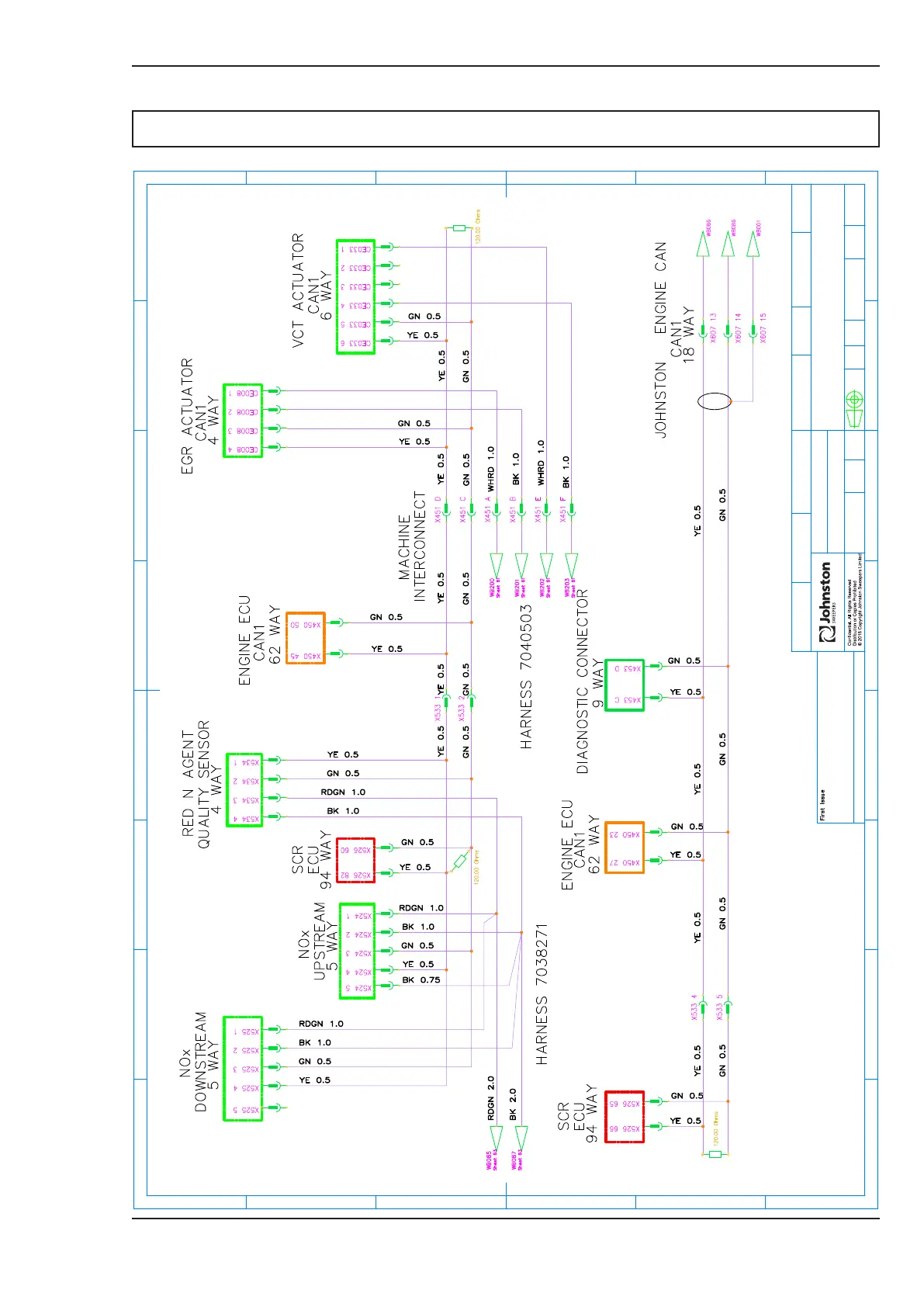
Chapter - Electrical System
AUX Engine JCB 93kW T4 CAN/Power Connections - Sheet 62/65 Rev A
1
F
E
D
2
1
C
B
A
2
RELEASED BY
DOCUMENT NUMBER
GENERAL TOLERANCES
3
4
WELDING QUALITY
PRODUCT
PROJECT
WELDING TOLERANCES
5
6
RESPONSIBLE DEPARTMENT DOC TYPE
FIRST
ANGLE
TITLE / SUPPLEMENTARY TITLE
CREATED BY
VERSION
7
SHEETSCALE
DATE
A3
REVISION
DATE
ECN
F
E
D
3
4
5
6
7
C
B
8
A
REVISION INFORMATION
NTS 62 7064036 A 718746
NGS Truck Mounted Sweeper Circuit Drawing
AUX Engine JCB 93KW T4 CAN/Power Connections
Moore
23-11-2018 Davis 23-11-2018
TMS- 502/652/802
Control System
C-D ACD 00

Related product manuals