EasyManua.ls Logo

Johnston VT502 - Air Filtration and Regulator (FR); Component Removal; Pneumatic Valve Island

Default Icon
220 pages
Print Icon
To Next Page IconTo Next Page
To Next Page IconTo Next Page
To Previous Page IconTo Previous Page
To Previous Page IconTo Previous Page
Loading...
V Range 502 l 652 l 802 Maintenance Manual
MA5:4
Chapter - Pneumatic System
M02MA-024-2
ENSURE BOTH DIALS
ARE SET TO 9
A
B
B
D
H
F
G
C
E
STATUS
INDICATORS
(see page MA5:5)
Air Filtration and Regulator (FR)
A filter regulator unit, located in the systems locker filters the air for the sweeper section of the pneumatic
system to prolong the life of the components served by it.
Before carrying out any major work on the unit it will be necessary to remove it from the locker by first draining
the vehicle air system, then disconnecting the supply pipes and releasing the fixing bolts.
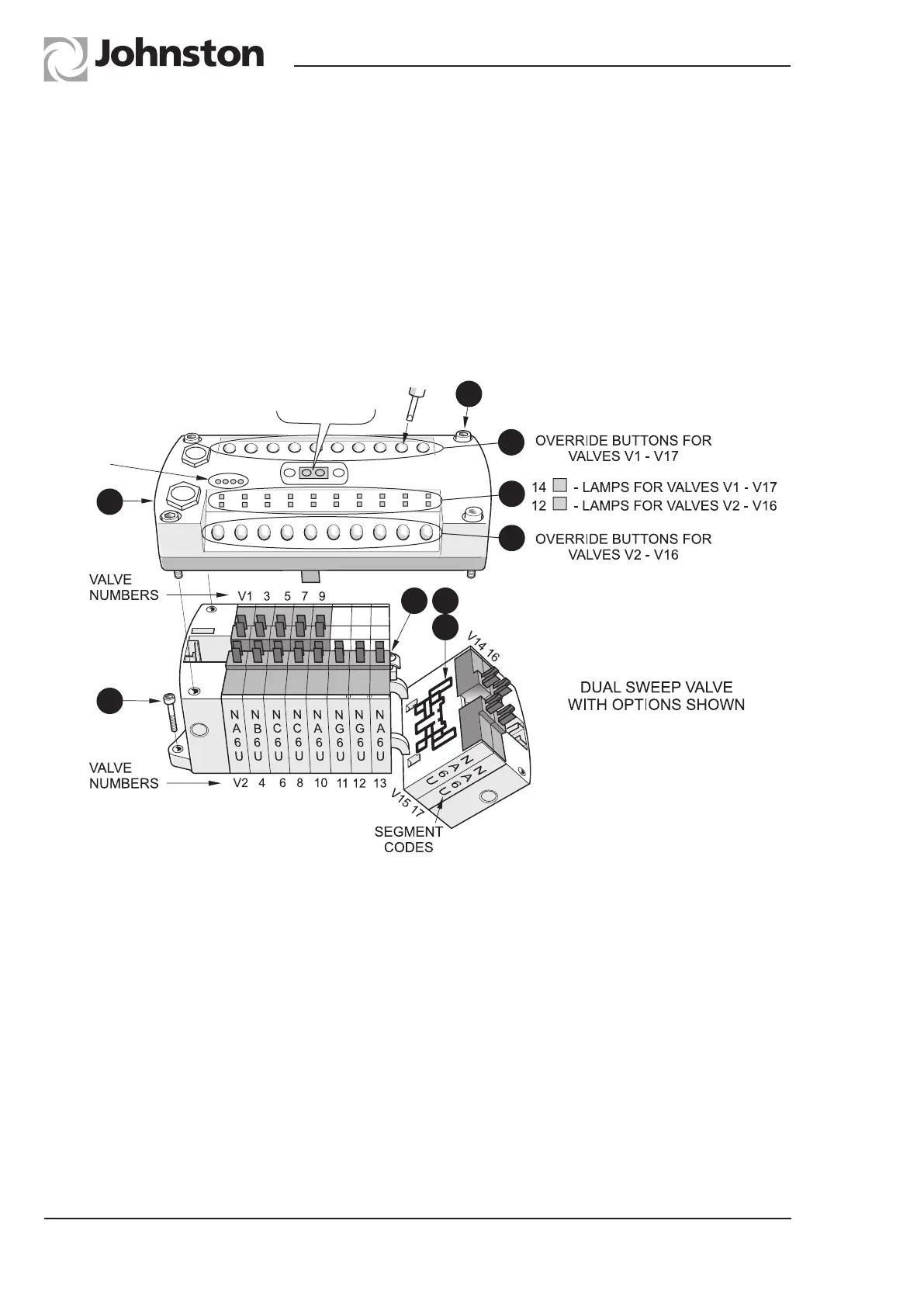
Pneumatic Valve Island
The pneumatic valve island is a modular unit comprising various segments. Each segment has an indicator
LED that illuminates when energised (A) and a manual override button (B) for ports 2 or 4 on each segment
Each segment is identified by a unique code, they are not all the same.
(see page 5:6 for identification and functionality)
To replace a valve segment -
1) Isolate the vehicles electrical supply.
2) Isolate the pneumatic system using the isolation tap on the filtration unit.
3) Disconnect the two electrical connectors.
4) Remove the 4 fixing screws (C).
5) Remove the 4 socket head screws (D).
6) Remove the valve cover containing the valve operating coils (E).
7) Unscrew (F) each side of the segment to be replaced.
8) Fold open the segment (G) and replace ensuring the rubber gasket (H) is in position.
9) Tighten screws (F).
10) Replace top cover (E).
11) Replace screws (D).
12) Re-connect the electrical connectors
COMPONENT REMOVAL

Related product manuals