EasyManua.ls Logo

Johnston VT502 - Page 155

Default Icon
220 pages
Print Icon
To Next Page IconTo Next Page
To Next Page IconTo Next Page
To Previous Page IconTo Previous Page
To Previous Page IconTo Previous Page
Loading...
MA5:19
V Range 502 l 652 l 802 Maintenance Manual
Johnston Sweepers Limited
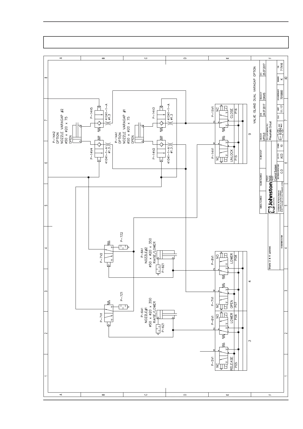
Chapter - Pneumatic System
Valve Island Dual Varagap Option - Sheet 11/17 Rev K

Related product manuals