EasyManua.ls Logo

Johnston VT502 - Page 160

Default Icon
220 pages
Print Icon
To Next Page IconTo Next Page
To Next Page IconTo Next Page
To Previous Page IconTo Previous Page
To Previous Page IconTo Previous Page
Loading...
V Range 502 l 652 l 802 Maintenance Manual
MA5:24
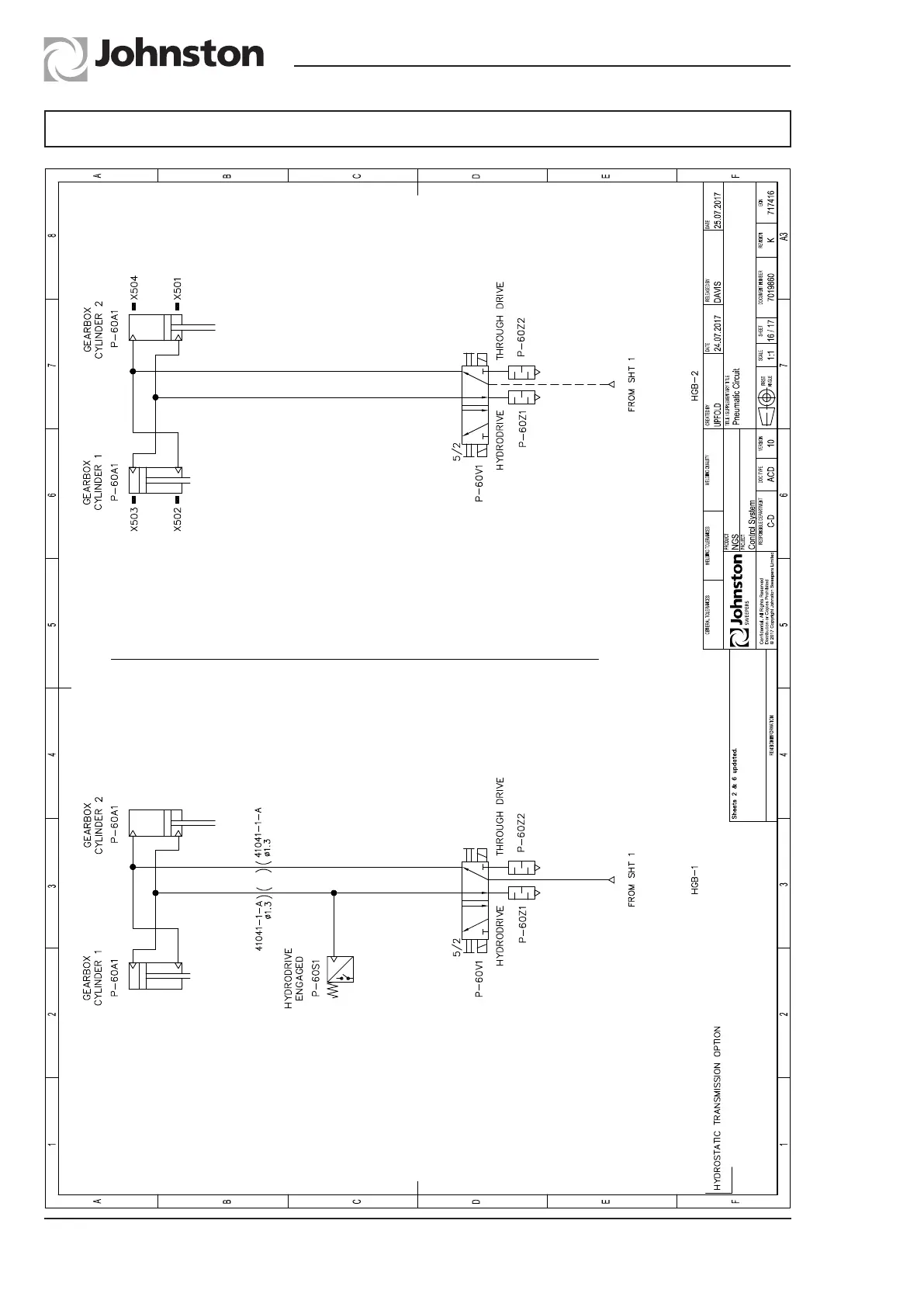
Chapter - Pneumatic System
Hydrostatic Transmission Option - Sheet 16/17 Rev K

Related product manuals