EasyManua.ls Logo

Johnston VT502 - Page 30

Default Icon
220 pages
Print Icon
To Next Page IconTo Next Page
To Next Page IconTo Next Page
To Previous Page IconTo Previous Page
To Previous Page IconTo Previous Page
Loading...
V Range 502 l 652 l 802 Maintenance Manual
MA2:10
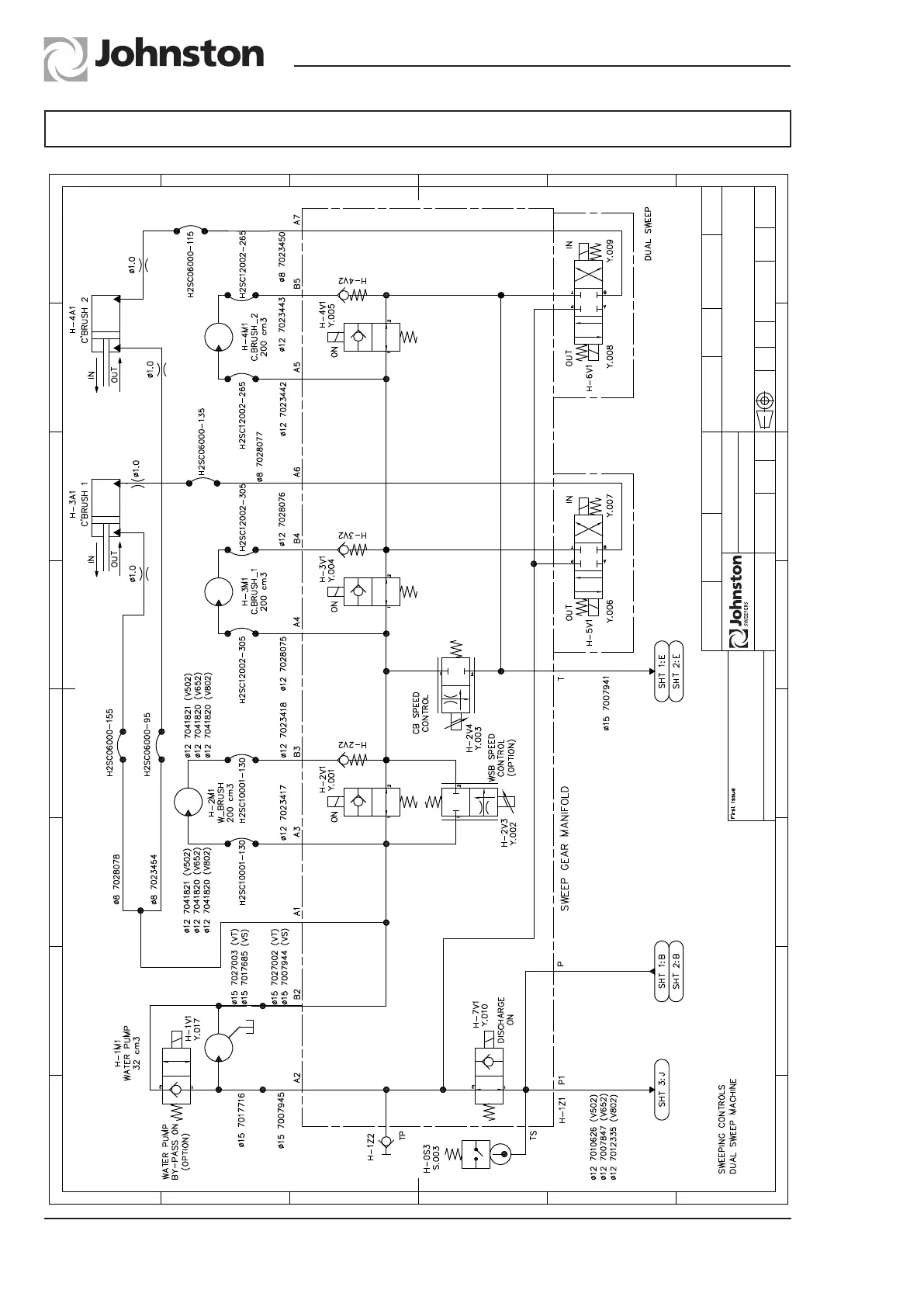
Chapter - Hydraulic System
889850
7 A8
72817
2XXXV-tiucriCciluardyH
DLOFPU
8102.01.80
SGN
metsySlortnoC
D-CDCA0001/5
1
F
E
D
2
1
C
B
A
2
YBDESAELER
REBMUNTNEMUCOD
SECNARELOTLARENEG
34
YTILAUQGNIDLEW
TCUDORP
TCEJORP
SECNARELOTGNIDLEW
56
TNEMTRAPEDELBISNOPSEREPYTCOD
TSRIF
ELGNA
ELTITYRATNEMELPPUS/ELTIT
YBDETAERC
NOISREV
7
TEEHSELACS
ETAD
3A
NOISIVER
ETAD
NCE
F
E
D
3 4567
C
B
8
A
NOITAMROFNINOISIVER
Dual Sweep Controls - Sheet 5/10 Rev A

Related product manuals