EasyManua.ls Logo

Johnston VT502 - Page 95

Default Icon
220 pages
Print Icon
To Next Page IconTo Next Page
To Next Page IconTo Next Page
To Previous Page IconTo Previous Page
To Previous Page IconTo Previous Page
Loading...
MA3:59
V Range 502 l 652 l 802 Maintenance Manual
Johnston Sweepers Limited
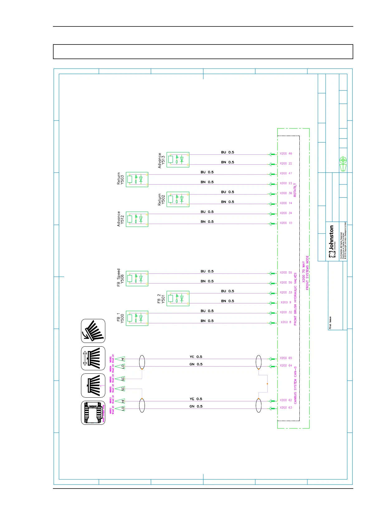
Chapter - Electrical System
Telescopic Single Front Brush Options Rotatilt x1 01 - Sheet 44/65 Rev A
1
F
E
D
2
1
C
B
A
2
RELEASED BY
DOCUMENT NUMBER
GENERAL TOLERANCES
3
4
WELDING QUALITY
PRODUCT
PROJECT
WELDING TOLERANCES
5
6
RESPONSIBLE DEPARTMENT DOC TYPE
FIRST
ANGLE
TITLE / SUPPLEMENTARY TITLE
CREATED BY
VERSION
7
SHEETSCALE
DATE
A3
REVISION
DATE
ECN
F
E
D
3
4
5
6
7
C
B
8
A
REVISION INFORMATION
NTS 44 7064036 A 718746
Blue Truck Mounted Sweeper Circuit Drawing
Telescoping Single Front Brush Options Rotatilt X1
Moore
23-11-2018 Davis 23-11-2018
TMS- 502/652/802
Control System
C-D ACD 00

Related product manuals