EasyManua.ls Logo

Joyner JNSZ650DLB - Electrical Schematic Diagram

Joyner JNSZ650DLB
146 pages
Print Icon
To Next Page IconTo Next Page
To Next Page IconTo Next Page
To Previous Page IconTo Previous Page
To Previous Page IconTo Previous Page
Loading...
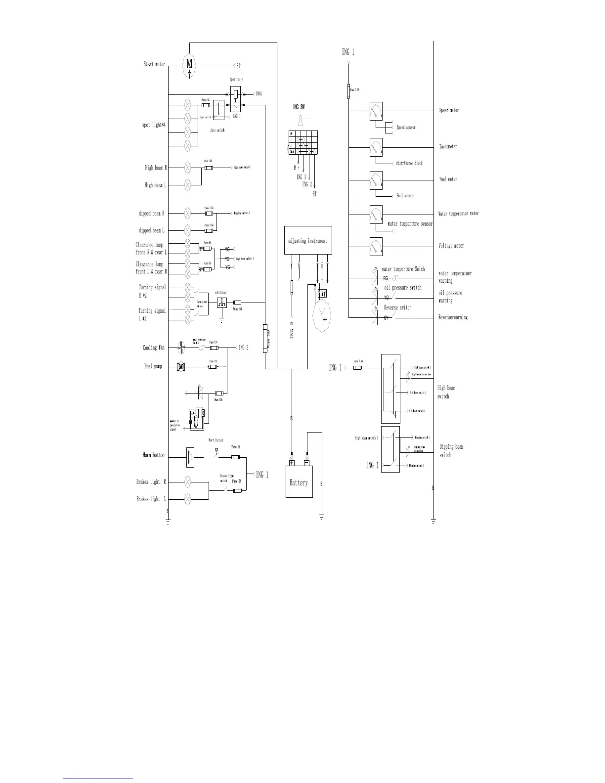
Electrical schematic diagram
Distributor
block
coil,ign
G
3
~
Alternator
14V 35A
C
h
a
r
g
e
i
n
d
i
c
a
t
o
r
C
h
a
r
g
e
i
n
d
i
c
a
t
o
r
Dipping switch 2
C
h
a
r
g
e
i
n
d
i
c
a
t
o
r
S
p
o
t
s
w
i
t
c
h
1
Wire's colour symbol
RS---red/grey B---black R---red U---blue RU---red/blue P---purple S---grey W---white YG---yellow/green L---Cambridge blue N---brown K---pink NB---brown/black NR---brown/red
UW---blue/white RB---red/black GY---green/yellow SB---grey/black BR---black/red Y---yellow WG---white/green GB---green/black WR---white/red BW---black/white
R
U
SR
S
BR
W
L
K
NR
RB
UW
P
NB
U
GR
R
WG
WB
SB
O
B
W
W
L
L
Figure 76

Table of Contents

Related product manuals