EasyManua.ls Logo

JUKI MO-6804D - Page 79

JUKI MO-6804D
Print Icon
To Next Page IconTo Next Page
To Next Page IconTo Next Page
To Previous Page IconTo Previous Page
To Previous Page IconTo Previous Page
Loading...
– 29 –
断面
断面
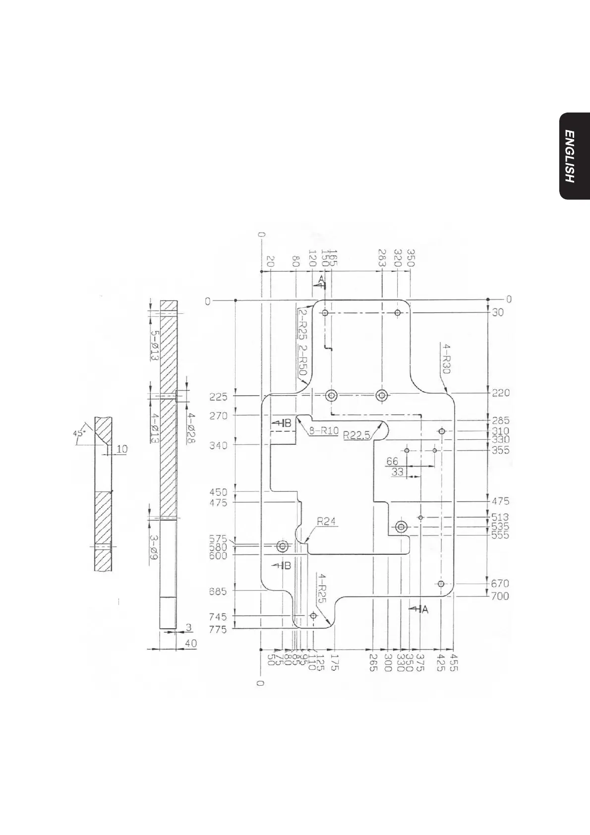
Auxiliary table for fully-sunken type table
Unit :mm
Difference :±2
Weight :4.25 kg ±5%
A-A
B-B

Table of Contents

Related product manuals