EasyManua.ls Logo

JVC LT-47DV8BJ - Page 12

JVC LT-47DV8BJ
74 pages
Print Icon
To Next Page IconTo Next Page
To Next Page IconTo Next Page
To Previous Page IconTo Previous Page
To Previous Page IconTo Previous Page
Loading...
9
TV
/
AV
M
E
NU
/
OK
P
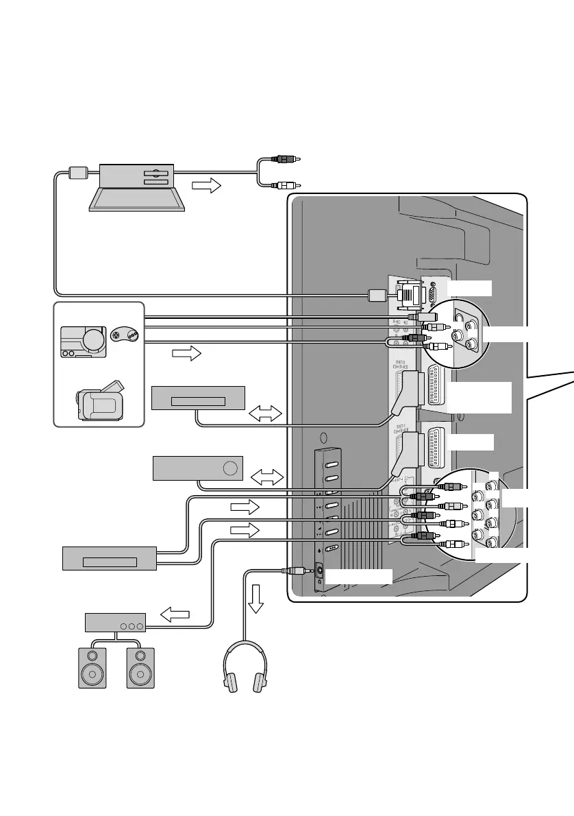
You can connect many different devices to the rear panel of the TV.
Please read the user manuals of each device before setting up.
(Connecting cables are not supplied with this TV.)
Connecting external
EXT-4
EXT-1
EXT-2
(T-V LINK)
EXT-3
PC IN
Headphone
Headphones
z Audio signals received from
EXT-5, EXT-6 and EXT-7
cannot be sent to the
AUDIO OUT terminal.
DVD player
Satellite broadcast / Digital
broadcast tuner
VCR / DVD recorder
(“T-V LINK” compatible)
Video camera
Game consoles
To “EXT-3”
R / L (PC IN)
z Check for PC compatibility
g“PC signals that can be displayed” (P. 42)
z Use cable with ferrite cores and no longer than
of 3 m to avoid electromagnetic disturbance.
Amplifier
(L) (R)
PC
AUDIO OUT
(R)
(L)
(Pr)
(Pb)
(R)
(L)
(R)
(L)
(Y)
LT-42DV8BJ.book Page 9 Friday, July 6, 2007 11:23 AM

Related product manuals