EasyManua.ls Logo

JVC RX-8020VBK - Page 80

JVC RX-8020VBK
130 pages
Print Icon
To Next Page IconTo Next Page
To Next Page IconTo Next Page
To Previous Page IconTo Previous Page
To Previous Page IconTo Previous Page
Loading...
11
English
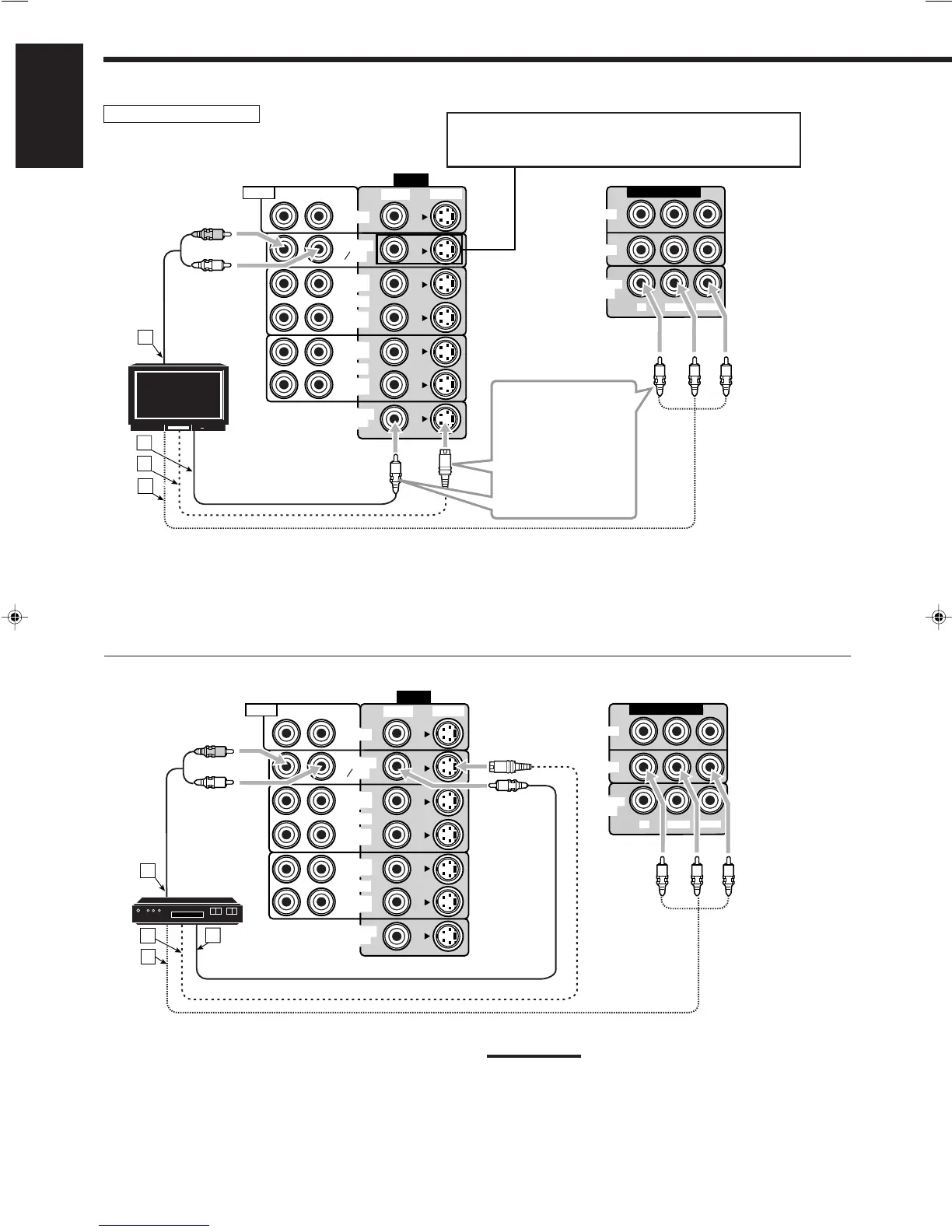
TV and/or DBS tuner
When connecting the TV to the AUDIO jacks
(TV SOUND/DBS), DO NOT connect the TVs video output
to these video input jacks.
VIDEO
FRONT
RIGHT
LEFT
DVD
TV SOUND
DBS
OUT
(REC)
IN
(PLAY)
VCR1
OUT
(REC)
IN
(PLAY)
VCR2
MONITOR
OUT
S-VIDEOVIDEO
COMPONENT VIDEO
MONITOR
OUT
DBS
DVD
Y
P
B
/C
B
P
R
/C
R
AUDIO
A
B
C
D
Å To audio output
ı To composite video input
Ç To S-video input
Î To component video input
VIDEO
FRONT
RIGHT
LEFT
DVD
TV SOUND
DBS
OUT
(REC)
IN
(PLAY)
VCR1
OUT
(REC)
IN
(PLAY)
VCR2
MONITOR
OUT
S-VIDEOVIDEO
COMPONENT VIDEO
MONITOR
OUT
DBS
DVD
Y
P
B
/C
B
P
R
/C
R
AUDIO
A
D
B
C
DBS
Å To audio output
ı To S-video output
Ç To component video output
Î To composite video output
Notes:
When connecting a DBS tuner to the TV SOUND/DBS jacks,
change the source name to DBS, which will be shown on the
display when it is selected as the source. See page 17 for details.
When connecting a DBS tuner to the component video input jacks,
make the component video input setting correctly. See pages 25
and 49 for details.
DBS tuner
Connect the TV to the
appropriate MONITOR
OUT jacks to view a
play-backing picture
from other connected
video components.
TV
EN01-15.RX-8020V[C]_f 02.4.3, 0:25 PM11

Table of Contents

Other manuals for JVC RX-8020VBK

Related product manuals