EasyManua.ls Logo

K2 Pumps UTS03301K - INSTALLATION - PLUMBING CONNECTIONS; DISCHARGE PIPING SETUP

K2 Pumps UTS03301K
32 pages
Print Icon
To Next Page IconTo Next Page
To Next Page IconTo Next Page
To Previous Page IconTo Previous Page
To Previous Page IconTo Previous Page
Loading...
For Professional Technical Support call 1-844-242-2475 5
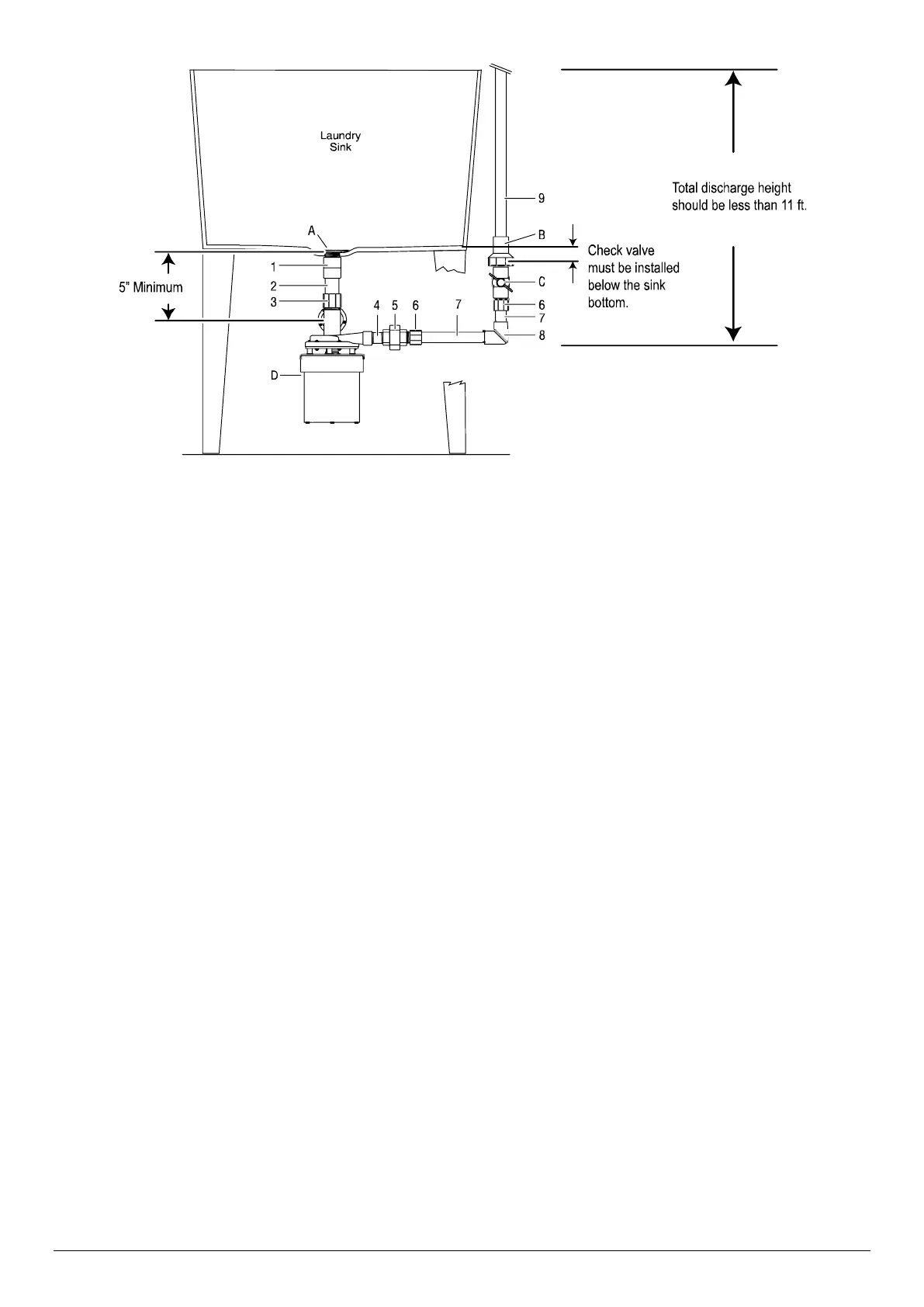
NOTE: The vertical height from the check valve to the pipe outlet should be at least 6.5ft to void check valve leakage.
5. Wrap the threads of the 1-1/2 in. male adapter (Part No.3) with 1 to 1-1/2 turns of PTFE pipe thread sealant tape
and install it in the pump inlet. Tighten it hand tight plus 1/2 turn with a pipe wrench or slip joint pliers. DO NOT
overtighten!
6. Measure the 1-1/2 in. PVC pipe (Part No.2) against the drain and the pump and trim the pipe to fit.
7. Do a trial assembly (dry - no glue) of the pump onto the drain pipe. Swing the pump until it accurately faces the
discharge piping, and then mark the pump and the inlet pipe/adapter assembly so that you can accurately install the
pump in Step 8. Arrange a temporary support under the pump to relieve the strain on the sink drain piping while the
glue is setting. Leave it in place while you measure and cut the discharge piping (Step 12).
8. Slide the pump up into position and glue the pipe (Part No.2) into the male adapter (Part No.3 on the pump).
No glue on the pump or in the motor;
• Make sure the pump is facing the right direction (match the marks from Step 7);
• Put the support in place under the motor.
9. Wrap the 1-1/4 in. galvanized nipple (Part No.4) with 1-1/2 to 2 turns of PTFE pipe thread sealant tape on each end
and thread it into the pump discharge port.
NOTE: Tighten this only enough to prevent leaking. Over-tightening can crack the plastic.
10. Hold the nipple (Part No.4) with a pipe wrench and thread one half of the 1-1/4 in. union (Part No.5) onto it, hand
tight plus 1-1/2 turns with a pipe wrench or slip-joint pliers.
11. At this time, wrap the threads on both the 1-1/4 in. male adapters (Part No.6) with 1-1/2 to 2 turns of PTFE pipe
thread sealant tape. Thread one of the adapters into the other half of the 1-1/4 in. union (Part No.5), hand tight plus
1/2 turn with a wrench or a pair of slip-joint pliers. DO NOT overtighten!
12. Install the discharge piping as shown in Figures 1 and 2. The order is:
a. 1-1/4 in. PVC Pipe cut to fit (Part No.7)
b. 90° Soc. to Soc. Elbow (Part No.8)
c. 1-/14 in. PVC Pipe cut to fit (Part No.7)
d. Male adapter (Part No.6)
e. Flow Control/Ball Valve (C), Check Valve (B)
NOTE: Install the check valve in the vertical discharge pipe with the threads down. Be sure the flow arrow points AWAY
from the pump. That is, when the check valve is correctly installed, the arrow showing direction of flow should point UP.
f. 1-1/4 in. Discharge Pipe (Part No.9)
13. Connect the discharge piping to the building drain.
† For easier removal for servicing or
cleaning, install a 1-1/2 in. solvent union in
the drop pipe.
Figure 2: Pump Installed ( Refer to
Figure 1 for parts names )

Related product manuals