EasyManua.ls Logo

Kato Imer 17VXE - Operation; Nomenclature and Controls Overview

Kato Imer 17VXE
120 pages
Print Icon
To Next Page IconTo Next Page
To Next Page IconTo Next Page
To Previous Page IconTo Previous Page
To Previous Page IconTo Previous Page
Loading...
2 – 1
OPERATION
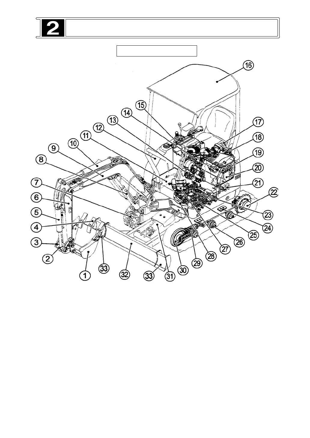
2-1 NOMENCLATURE
Typical Example
(1) Bucket
(2)
Bucket Link
(3) Arm Link
(4) Tooth
(5) Bucket Cylinder
(6) Arm
(7) Track Shoe
(8) Boom Cylinder
(9) Boom
(10) Arm Cylinder
(11) Boom Swing Cylinder
(
12) Fuel Tank
(13) Muffler
(14) Engine
(15) Radiator and Oil Cooler
(16) TOPS Canopy
(17) Air Cleaner
(18) Return Filter
(19) Battery
(20) Hydraulic Tank
(21) Hydraulic Pump
(22) Travel Drive (with motor)
(23) Rotar
y Joint
(24) Guide Plate
(25) Control Valve
(26) Track Roller
(27) Swing Drive (with motor)
(28) Swing Bearing
(29) Track Adjuster
(30) Front Idler
(31) Blade Cylinder
(32) Blade
(33) Blade extensions