EasyManua.ls Logo

Kato Imer 17VXE - Page 63

Kato Imer 17VXE
120 pages
Print Icon
To Next Page IconTo Next Page
To Next Page IconTo Next Page
To Previous Page IconTo Previous Page
To Previous Page IconTo Previous Page
Loading...
2 – 19
OPERATION
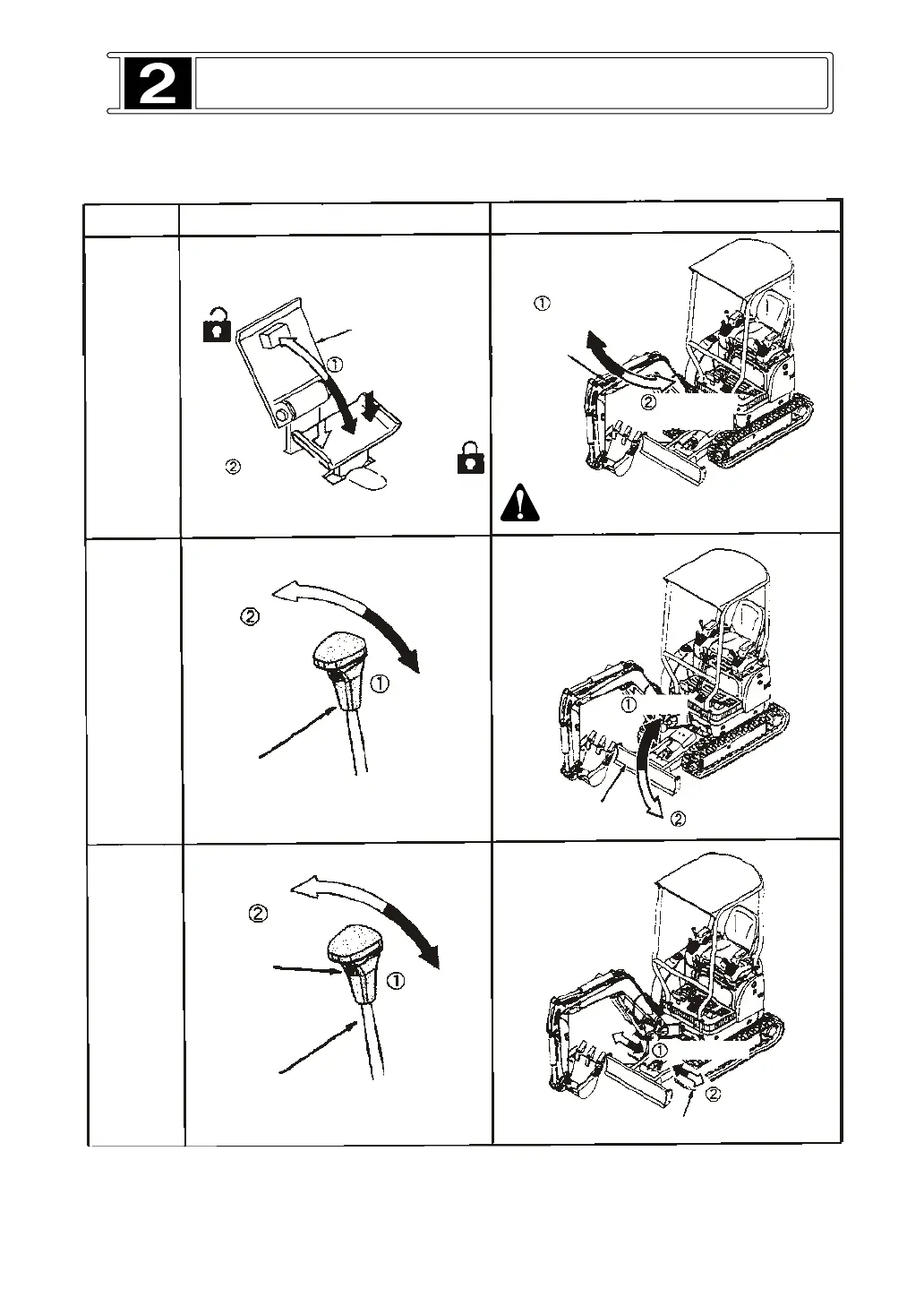
OPERATIONS
BOOM
SWING
DIRECTION OF LEVER
DIRECTION OF MACHINE
BLADE
EXPANSION
Unlocked
position
Swing R.H.
Swing L.H.
Locked
position
Boom Swing
Pedal
Swing
R.H.
Swing
L.H.
Boom
Lower
Raise
Blade lever
Blade
Raise
Expansion
Blade lever
Retraction
Spanner
selection button
Push
Expansion
Retraction
Crawler
B
ACKHOE OPERATION
When no breaker operation is needed,
be sure to lock the pedal.