EasyManua.ls Logo

Kenwood TK-3170 E - Specifications; General Specifications; Receiver Performance Specifications; Transmitter Performance Specifications

Kenwood TK-3170 E
69 pages
Print Icon
To Next Page IconTo Next Page
To Next Page IconTo Next Page
To Previous Page IconTo Previous Page
To Previous Page IconTo Previous Page
Loading...
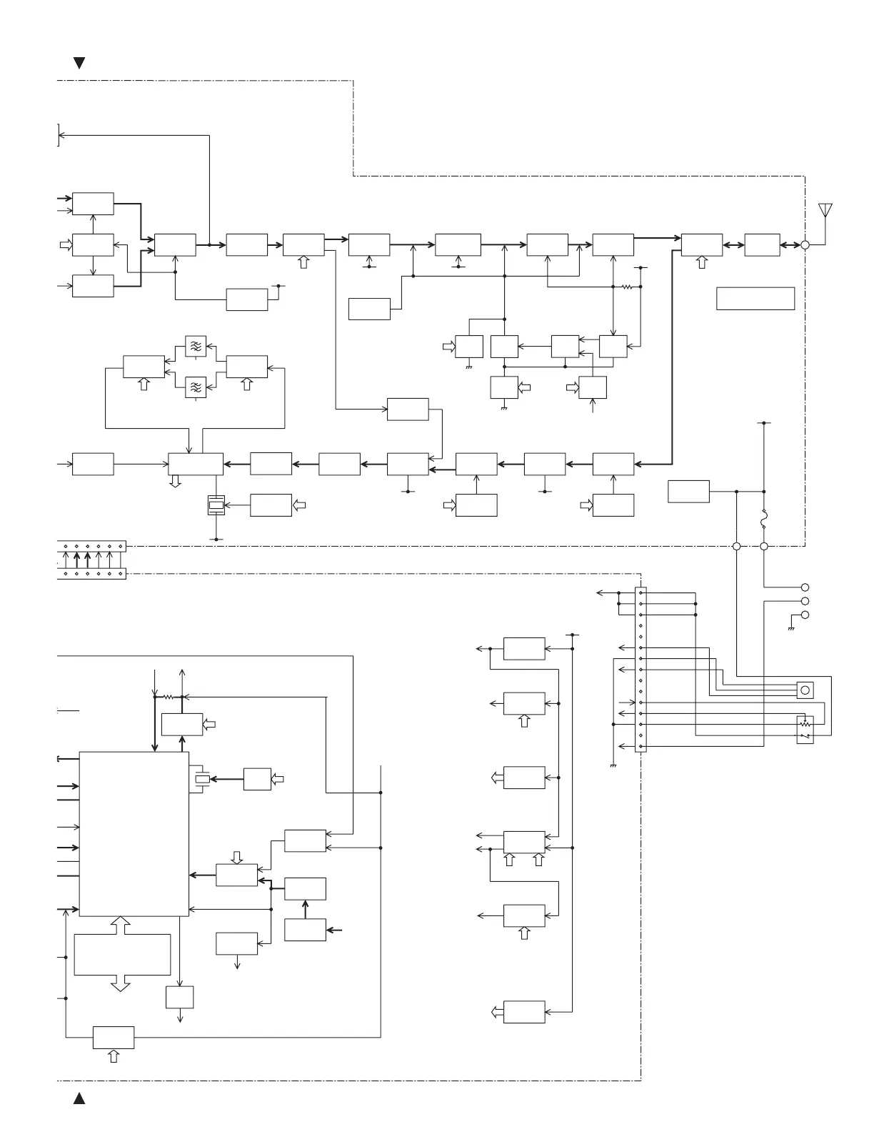
BLOCK DIAGRAM TK-3170
63
AUDIO
PROCESSOR
IC13
AQUA-L
450kHz IF SW
CF701
WIDE(E)
IC701
TA31136FNG
FM IF
SYSTEM
CD701
450kHz
IF AMP MCF
Q703
2SC4649(N,P)
XF701
49.95MHz
BPF
BPF
LPF
TUNE
Q705
3SK318 : E
3SK293 : X2
5T
LPF
FUSE
BATT
7.5V
X2
3.6864MHz
D604,605,606,608
HVC131x4
L616,617,618
L711,712,713
440~470MHz : E
470~512MHz : X2
L717,718,719
5R
D706,707
HVC355Bx2
D708
HVC350B : E
HVC355B : X2
BPFBPF TUNE
D703,704,705
HVC355Bx3
5R
Q704
3SK318
1st
MIXER
W/N
SW
Q702
DTA144EE
NARROW
5C
CF702
NARROW(G)
IF SW
D701
DAN235E
D702
DAN235E
WIDE,NARROWWIDE,NARROW
Q506
2SC5488
BUFFER
AMP
Q503
2SK508NV(K52)
D509,511
1SV325Fx2
5C
TRIPLER
Q701
2SC4649(N,P)
2nd Lo
50.4MHz
+B
S
SB
SB
SB
EN2(A)
GND
EN3(B)
5MS
VOL
GND
BATSEL
15
1
1
26
5MS
TCXO
TX
RX
MOD
GND
RSSI,ASQL
DETAF
IC10 (A/2)
TK62012F
DET
AMP
DETAF
IC14
TC7W53FK(F)
AF SW
LSD
FILTER
IC11
TK62012FK
LSDO
HSD
MUTE
)
Q30
2SJ243
R170
MIC O
MIC I
TX SUM
AMP
IC12 (B/2)
TK62012F
Q33
2SJ347F
HSDO
MMUTE
STSW
TX
Q31,32
2SC4649(N,P)x2
AQSFT
BASEBAND CIRCUIT
MUTE
SW
Q14
SSM3K15TE(F)
PROTECT
D901
1SR154-400
RIPPLE
FILTER
TX
VCO
RX
VCO
VCO
SW
Q502
2SK508NV(K52)
D505,507
1SV325Fx2
D513
1SV278F
F)
AFDET
AFDIO
AFDIR
DTRLOAD
VOXMUTE
AFSTD
SCLK
BB RDF/FD
TCLK/DTRDO
DC
SW
MIC
MUTE
+
RF
AMP
ANT
SWITCH
APCSW
Q607
DTC114EE
IC601
TA75W01FUF
DSW
+B
TX/RX
SW
Q604
2SK3476
D515,516
HSC277x2
PC
Q603
RD01MUS1
Q602
2SK3077F
PRE-DRIVE
AMP
DRIVE
AMP
RF FINAL
AMP
(B/2)(A/2)
Q609
SSM3K15TE(F)
Q608
DTA144EE
5T
Q507
2SC5488
Q601
2SC5488
RF
AMP
RF
AMP
5T,5R
5T
DC
SW
DC
SW
DC
SW
DC
SW
Q605
DTC114EE
Q606
2SK879(GR)
COMP
AMP
CURR
DET
LSDIN
VOXIN
Q19
SSM3K15TE(F)
DC
SW
AVR
IC2
XC6204B502PR
IC3
XC61CN3402NR
Q9
SSM6J08FU(F)
5M
5MS
RST
AVR
Q4 : FP210
Q5 : UPA672T
Q1,6 : UMG3Nx2
5T
Q8
DTA114EE
5R
5C
IC1
XC61CC5002NR
Q29
SSM3K15TE(F)
INT
SB
5RC
DC SUPPLY CIRCUIT
5MSC
SAVE
5TC
DC
SW
DC
SW
VOLTAGE
DETECT
VOLTAGE
DETECT
Q505
2SC4617(S)
D514
HSC277
ZENER
D601
UDZS4.7B

Related product manuals