EasyManua.ls Logo

Keysight Technologies E3649A - Remote Programming; Figure 6-7 Speed of Response - Programming up (Full Load)

Keysight Technologies E3649A
255 pages
Print Icon
To Next Page IconTo Next Page
To Next Page IconTo Next Page
To Previous Page IconTo Previous Page
To Previous Page IconTo Previous Page
Loading...
Tutorial 6
E364xA User’s and Service Guide 187
Remote Programming
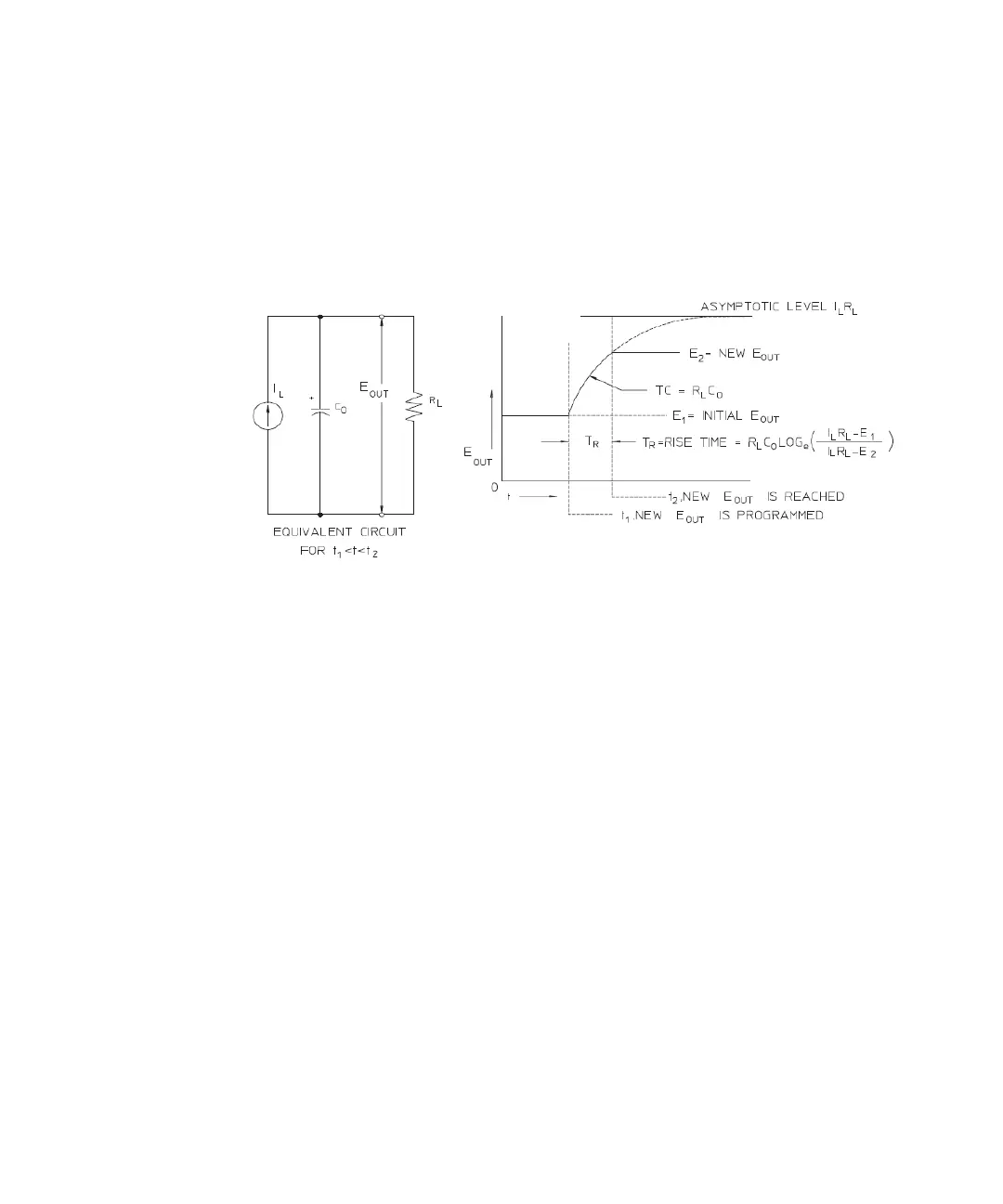
During remote programming a constant-voltage regulated power supply is called
upon to change its output voltage rapidly. The most important factor limiting the
speed of output voltage change is the output capacitor and load resistor.
Figure 6-7 Speed of response - programming up (full load)
The equivalent circuit and the nature of the output voltage waveform when the
supply is being programmed upward are shown in Figure 6-7. When the new
output is programmed, the power supply regulator circuit senses that the output
is less than desired and turns on the series regulator to its maximum value I
L
, the
current limit or constant current setting.
This constant current I
L
charges the output capacitor C
O
and load resistor R
L
parallel. The output therefore rises exponentially with a time constant R
L
C
L
towards voltage level I
L
R
L
, a value higher than the new output voltage being
programmed.
When this exponential rise reaches the newly programmed voltage level, the
constant voltage amplifier resumes its normal regulating action and holds the
output constant. Thus, the rise time can be determined approximately using the
formula shown in Figure 6-7.

Table of Contents

Related product manuals