EasyManua.ls Logo

Kinco CD422 - Chapter 7 Mode Operation; 7.1 Pulse Control Mode (“-4” Mode)

Kinco CD422
133 pages
Print Icon
To Next Page IconTo Next Page
To Next Page IconTo Next Page
To Previous Page IconTo Previous Page
To Previous Page IconTo Previous Page
Loading...
56
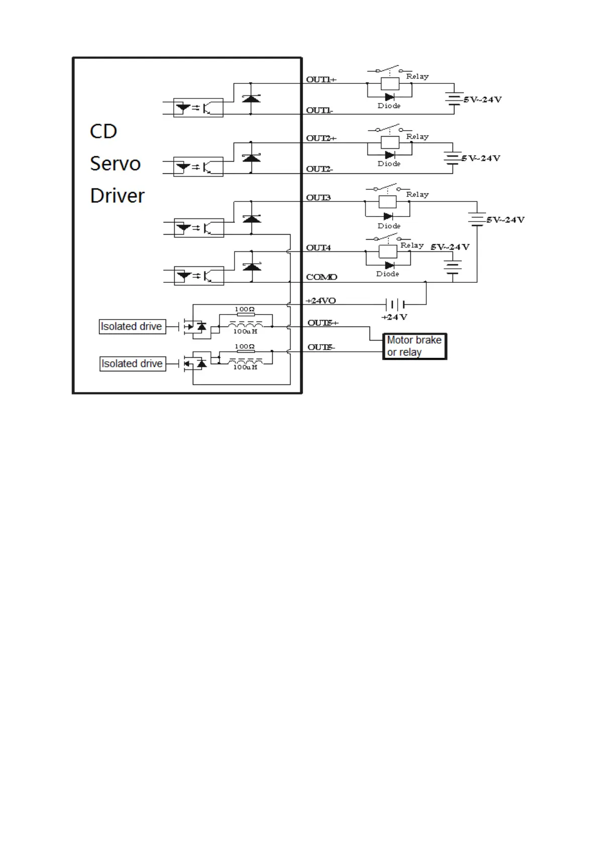
Fig. 6-7 Connect a relay to the digital output port
Chapter 7 Mode Operation
7.1 Pulse Control Mode (“-4” Mode)
7.1.1 Wiring in Pulse Control Mode
1. Wiring diagram of CD2 driver in pulse control mode

Table of Contents

Related product manuals