EasyManua.ls Logo

Kinco CD422 - Page 91

Kinco CD422
133 pages
Print Icon
To Next Page IconTo Next Page
To Next Page IconTo Next Page
To Previous Page IconTo Previous Page
To Previous Page IconTo Previous Page
Loading...
91
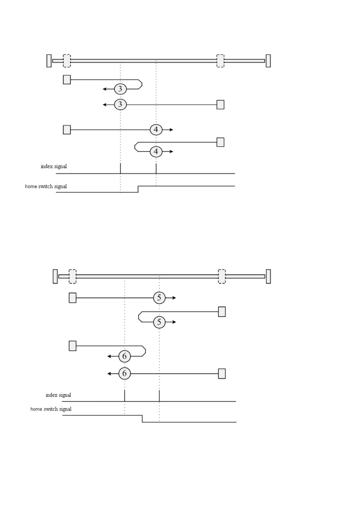
movement must reverse during homing, the point at which the reversal takes place is
anywhere after a change of state of the home switch.
Methods 5 and 6: Homing on the negative home switch and index pulse
Using methods 5 or 6, the initial direction of movement is dependent on the state of the
home switch. The home position is at the index pulse to either the left or the right of the
point where the home switch changes state. If the initial position is sited so that the
direction of movement must reverse during homing, the point at which the reversal takes
place is anywhere after a change of state of the home switch.
Methods 7 to 14: Homing on the home switch and index pulse
These methods use a home switch that is active over only a portion of the travel; in effect
the switch has a “momentary” action as the axle position sweeps past the switch.

Table of Contents

Related product manuals