EasyManua.ls Logo

Kinco CD422S - 3.1.2 Wiring Diagram

Kinco CD422S
111 pages
Print Icon
To Next Page IconTo Next Page
To Next Page IconTo Next Page
To Previous Page IconTo Previous Page
To Previous Page IconTo Previous Page
Loading...
15
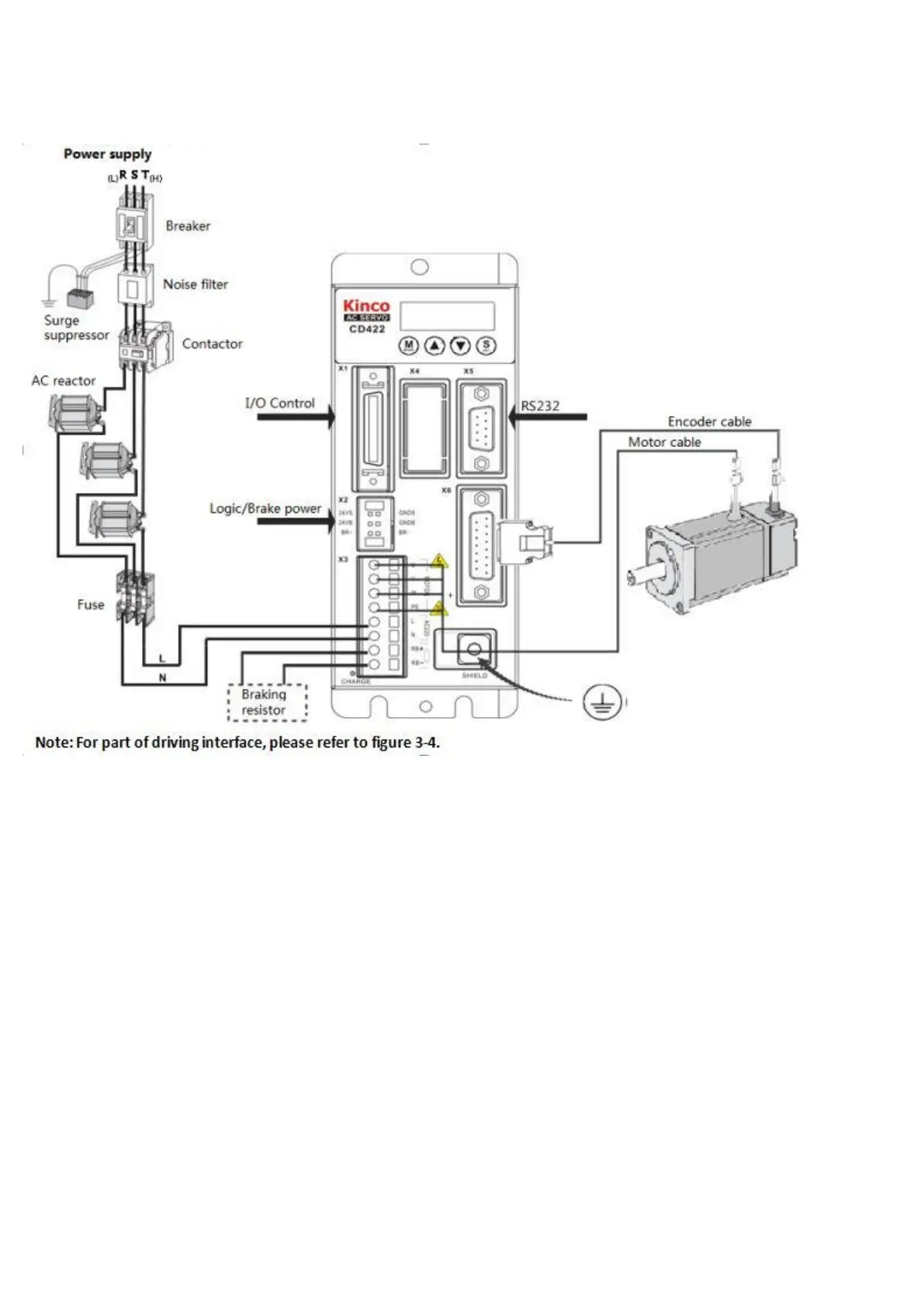
3.1.2 Wiring Diagram
Fig.3-1 Wiring diagram of CD2S driver

Table of Contents

Related product manuals