EasyManua.ls Logo

Kinco CD430 - Wiring Diagram of CD2 Driver

Kinco CD430
133 pages
Print Icon
To Next Page IconTo Next Page
To Next Page IconTo Next Page
To Previous Page IconTo Previous Page
To Previous Page IconTo Previous Page
Loading...
15
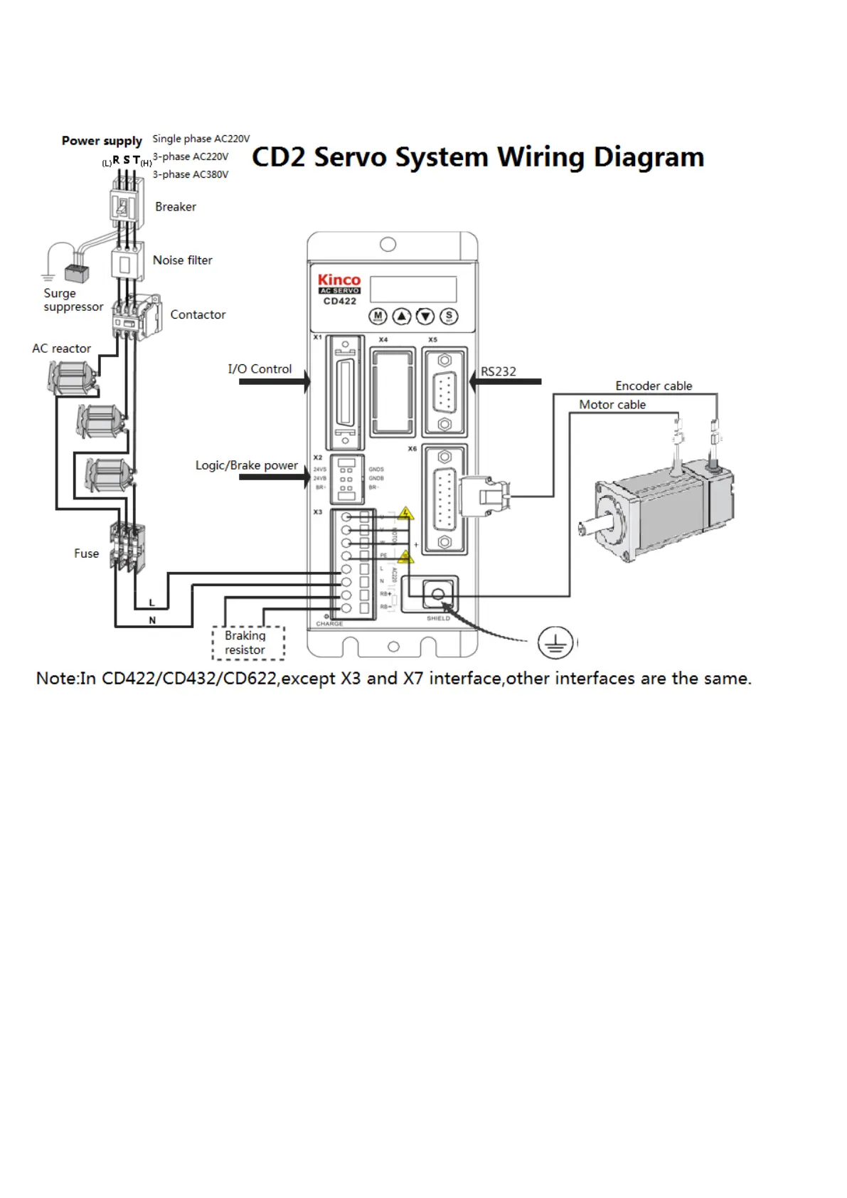
3.1.2 Wiring Diagram of CD2 Driver
Fig.3-1 Wiring diagram of CD2 driver

Table of Contents

Other manuals for Kinco CD430

Related product manuals