EasyManua.ls Logo

Kinco CD430 - Operation on Digital Operation Panel

Kinco CD430
133 pages
Print Icon
To Next Page IconTo Next Page
To Next Page IconTo Next Page
To Previous Page IconTo Previous Page
To Previous Page IconTo Previous Page
Loading...
27
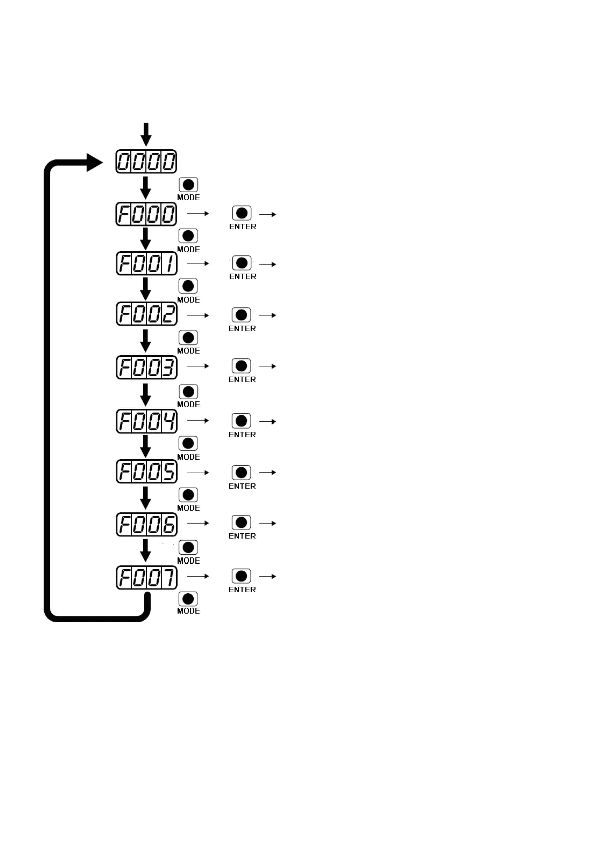
4.2 Operation on Digital Operation Panel
Power ON
Press MODE
Switching of basic menus
Parameter display (current speed is
displayed by default)
Press
Press
Press
Press
Press
Press
Press
Press
Press
Press
Press
Press
Press
Press
Press
Press
Press
Set driver instructions
Set real-time display of data
Set control loop parameters
Settings
I/O parameters
Mode operation parameters
Set motor parameters
Set driver parameters
Trial operation
Check wrong history records
Loop
Fig. 4-1 Operation on a digital operation panel
Note: If a non real-time display interface is displayed for the control panel, and no key operation occurs, the
real-time display interface is automatically skipped after 20 seconds to avoid misoperation.
Example 4-1: Set the denominator of electronic gear ratio to 10000 with
number system switching
1. Press MODE. The main menu is displayed. Choose F003.

Table of Contents

Other manuals for Kinco CD430

Related product manuals