EasyManua.ls Logo

Kinco CD430 - Page 94

Kinco CD430
133 pages
Print Icon
To Next Page IconTo Next Page
To Next Page IconTo Next Page
To Previous Page IconTo Previous Page
To Previous Page IconTo Previous Page
Loading...
94
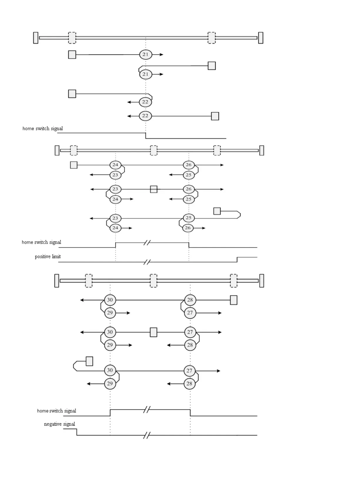
Methods 31 and 32: Reserved

Table of Contents

Other manuals for Kinco CD430

Related product manuals