EasyManua.ls Logo

KitchenAid KEMS378S - Page 92

KitchenAid KEMS378S
96 pages
Print Icon
To Next Page IconTo Next Page
To Next Page IconTo Next Page
To Previous Page IconTo Previous Page
To Previous Page IconTo Previous Page
Loading...
7-4
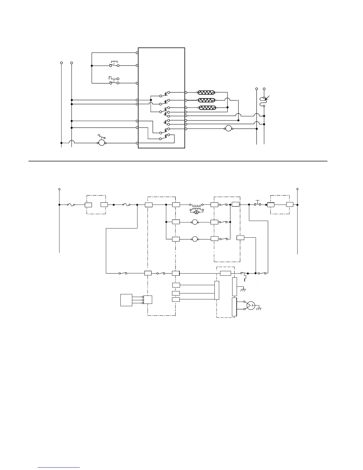
CLEAN
MWO FULL POWER - MWO VARIABLE POWER - MWO STEAM
OVEN
SHUTDOWN
THERMAL
CUTOFF
(NON-RESETTABLE)
(105°C) (221°F)
OUT BROIL 1450W
N L2
W R
R
OR
GY
W
L1
BK
N
BLOWER
W
BK
BK
BK
BK
W
MOTOR LA
TCH
DOOR SWITCH
(ON LA
TCH ASSY)
LATCH SWITCH
(OPERATED BY MOTOR)
BR
BR
BU
T
OR
P1-5
P1-7
P1-4
T4-3
T4-4
P9-5
P8-1
P8-5
T3-3
T3-1
T3-4
T1-1
T2-2
T1-2
P9-2
T2-1
R
R
W
R
BU
R/W
R
R/W
R
BAKE 2000W
IN BROIL 1800W
OR
BU
M
M
L1
BK
BK
BK
LINE 20A
FUSE
LINE FILTER L1
P32
P33
BK
BR
BR
BR
MONITOR
20A FUSE
MW APPLIANCE
MANAGER
P1-1
P2-6
P2-4
P2-2
P2-1
P2-3
P2-5
P1-2
P3-1
HALOGEN LIGHT
M
M
CONV. F
AN
MOTOR
BK
BK
BR
BR
TURNTABLE
4903
BU
1020
MW APPLIANCE
MANAGER
P31
P34
4 1
SECONDARY
INTERLOCK
SWITCH
BU
BU
W
W
CAVITY
THERMOST
AT
LINE FILTER L1
W
W
N
2
1
4
PRIMARY
INTERLOCK SWITCH
MW LIGHT
TRANSFORMER
1
P8-3
P8-2
P8-1
CN702
C
N
7
0
1
C
N
7
0
1
C
N
7
0
3
MAGNETRONF
F
A
Y
W
Y
W
BK
P4
HUMIDITY
SENSOR
MW INVER
TER

Table of Contents

Related product manuals