EasyManua.ls Logo

KLH SC 2 - 2. Description; 2.1 Water-bearing equipment

Default Icon
31 pages
Print Icon
To Next Page IconTo Next Page
To Next Page IconTo Next Page
To Previous Page IconTo Previous Page
To Previous Page IconTo Previous Page
Loading...
KLH Kältetechnik GmbH
u n i v e r s a l c h i l l e r s
ENGLISH
- 8 /31- 14.12.2011 / 01.00
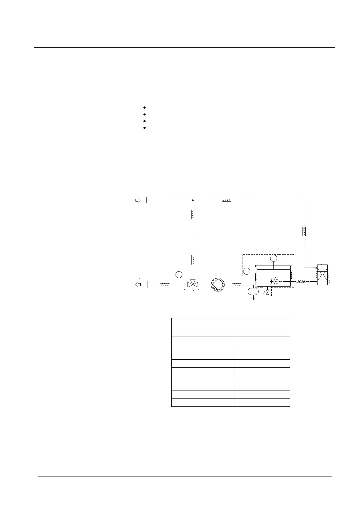
2. Description
The cooler is of compact design. It consists of various functional sections including
the following subassemblies :
water-bearing equipment
cooling equipment
electrical / control equipment
safety / monitoring equipment
2.1 Water-bearing equipment
The heat generated at the costumer machine is supplied to the cooler via water
circuit.
Inside the cooler, the circuit continues and equipped with the components
required.
5
PI
60
44
LC
TCI
LI
55
52
H
20l
Rp 1/2"
Rp 1/2"
40
KK
PB
A
Naming
Cooling water circuit
Evaporator
5
Pump
60
Tank
55
Float switch
Water level indicator
Discharge connection
Three-way valve
40
Pressure gauge
44
Temperature sensor
52
2 Description

Related product manuals