EasyManua.ls Logo

Kohler 10CCE - Adv-5719-F

Kohler 10CCE
57 pages
Print Icon
To Next Page IconTo Next Page
To Next Page IconTo Next Page
To Previous Page IconTo Previous Page
To Previous Page IconTo Previous Page
Loading...
TP-5977 7/98 21
Generator Reconnection
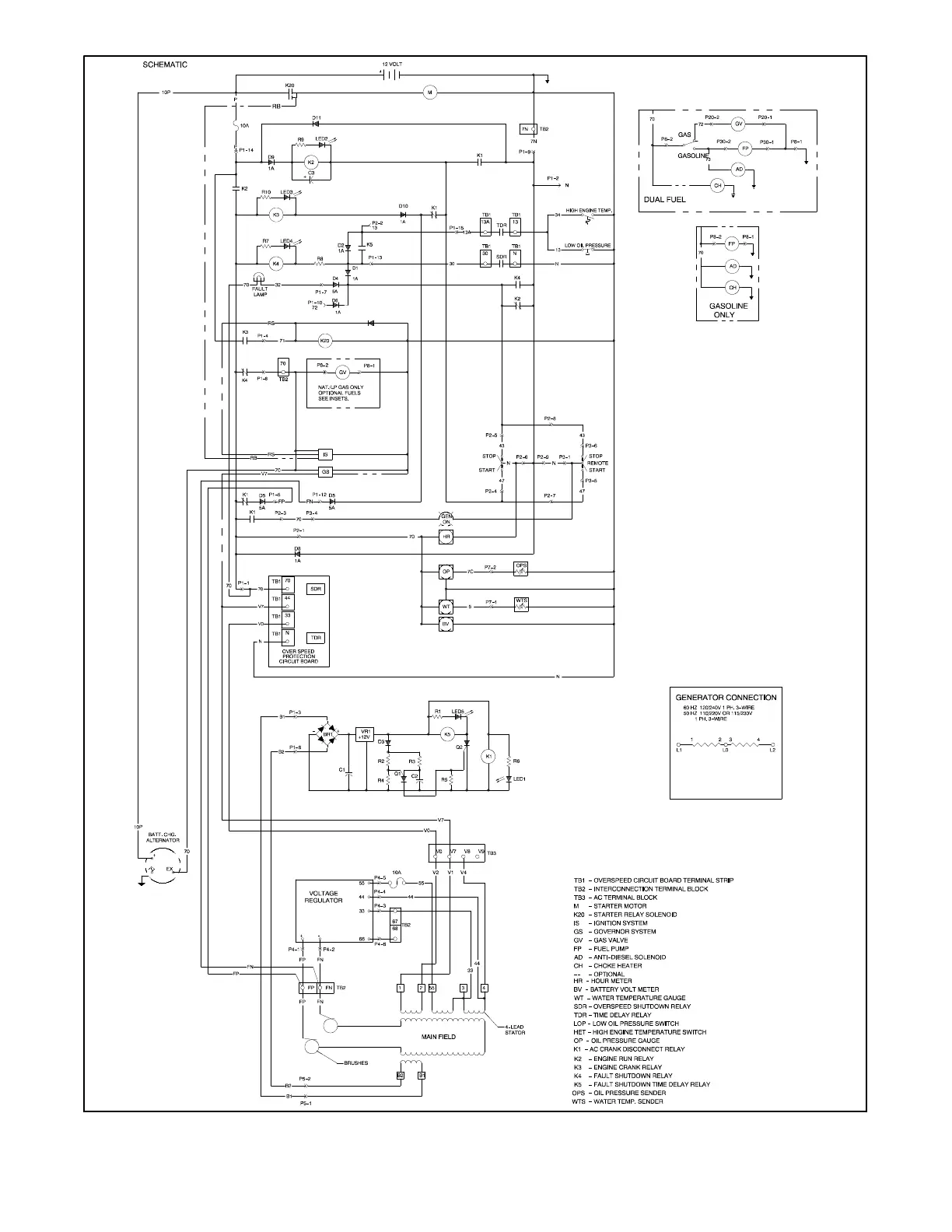
ADV-5719-F
Figure 5-6. Schematic Diagram, 1-Phase

Related product manuals