EasyManua.ls Logo

Kohler KS540 - Page 44

Kohler KS540
92 pages
Print Icon
To Next Page IconTo Next Page
To Next Page IconTo Next Page
To Previous Page IconTo Previous Page
To Previous Page IconTo Previous Page
Loading...
44
Electrical System
KohlerEngines.com 22 690 01 Rev. --
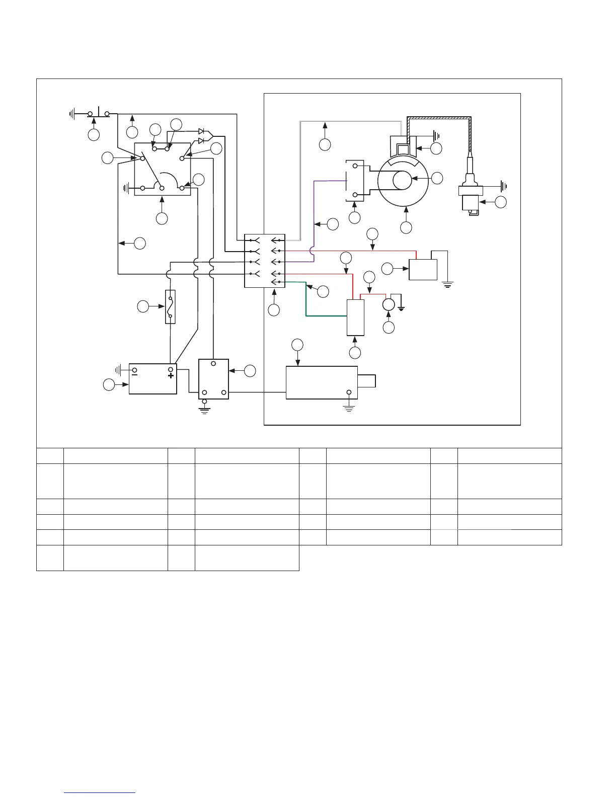
Wiring Diagram-12/15 Amp Regulated Battery Charging System with Smart-Choke
TM
_
+
H
D
R
S
J
M
O
K
Q
E
C
T
N
T
A
F
I
B
J
S
O
P
AC
AC
B+
L
U
V
A
G
A
A Red B Green C Violet D White
E Spark Plug F Fuel Shut-off Solenoid G
3-Terminal Oil
Sentry
Switch (Indicator)
H Bendix Starter
I Engine Connector J Starter Solenoid K Ground-To-Kill Lead L Key Switch
M Optional Oil Sentry
N Optional Fuse O Battery P Rectifi er-Regulator
Q Flywheel R Stator S Ignition Module T Accessory
U
Equipment Safety
Circuit
V
Smart-Choke
Diaphragm Assembly
NOTE: Refer to Smart-Choke
TM
in Fuel System section for troubleshooting.

Table of Contents

Related product manuals