EasyManua.ls Logo

Kohler KS540 - Reassembly; Reassembly - General Notes and Oil Baffle

Kohler KS540
92 pages
Print Icon
To Next Page IconTo Next Page
To Next Page IconTo Next Page
To Previous Page IconTo Previous Page
To Previous Page IconTo Previous Page
Loading...
76
Reassembly
KohlerEngines.com 22 690 01 Rev. --
NOTE: Make sure engine is assembled using all
specifi ed torque values, torque sequences, and
clearances. Failure to observe specifi cations
could cause severe engine wear or damage.
Always use new gaskets. Apply a small amount
of oil to threads of critical fasteners before
assembly, unless a sealant or Loctite
®
is
specifi ed or preapplied.
Make sure all traces of any cleaner are removed before
engine is assembled and placed into operation. Even
small amounts of these cleaners can quickly break down
lubricating properties of engine oil.
Check closure plate, crankcase, cylinder head, and
valve cover to be certain all old sealing material has
been removed. Use gasket remover, lacquer thinner, or
paint remover to remove any remaining traces. Clean
surfaces with isopropyl alcohol, acetone, lacquer thinner,
or electrical contact cleaner.
Install PTO Side Oil Seal
PTO Seal Depth Details
B
A
A Oil Seal B
Seal Depth
5.5 mm (0.216 in.)
Use a seal driver and install to a depth of 5.5 mm
(0.216 in.) into crankcase.
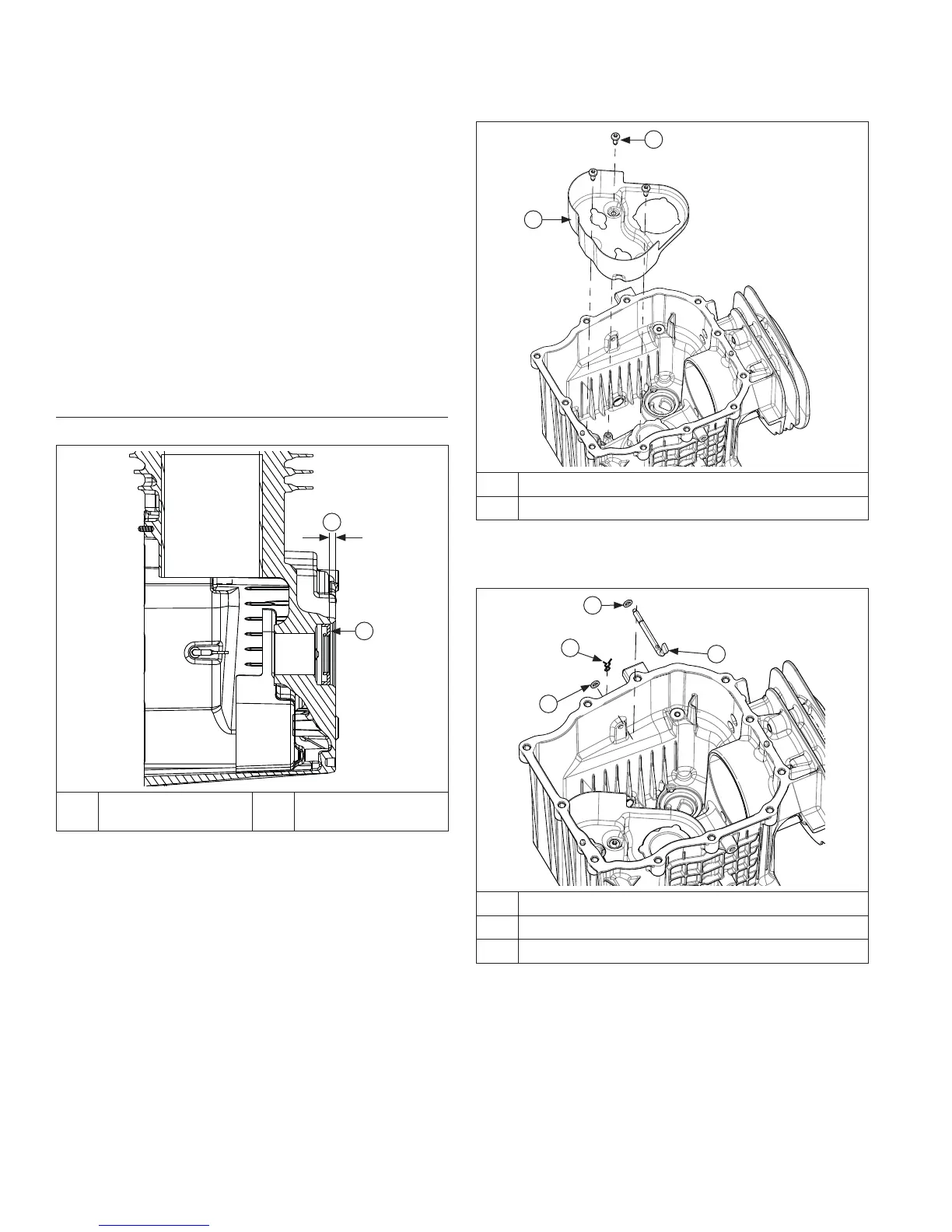
Install Oil Baffl e
B
A
A Oil Baffl e Screws
B Oil Baffl e
Install oil baffl e in crankcase and secure with screws.
Torque screws to 7.9 N·m (70 in. lb.).
Install Governor Cross Shaft
C
B
B
A
A Governor Cross Shaft
B Washer
C Hitch Pin
1. Place fi rst washer onto governor cross shaft as far
as it will go.
2. Lightly lubricate shaft with oil, and install it from
inside crankcase.
3. Slide second washer onto shaft from outside as far
as it will go. Secure by inserting hitch pin in
machined groove.

Table of Contents

Related product manuals