EasyManua.ls Logo

Kohler KS540 - Wiring Diagram-12;15 Amp Regulated Battery Charging System

Kohler KS540
92 pages
Print Icon
To Next Page IconTo Next Page
To Next Page IconTo Next Page
To Previous Page IconTo Previous Page
To Previous Page IconTo Previous Page
Loading...
43
Electrical System
22 690 01 Rev. -- KohlerEngines.com
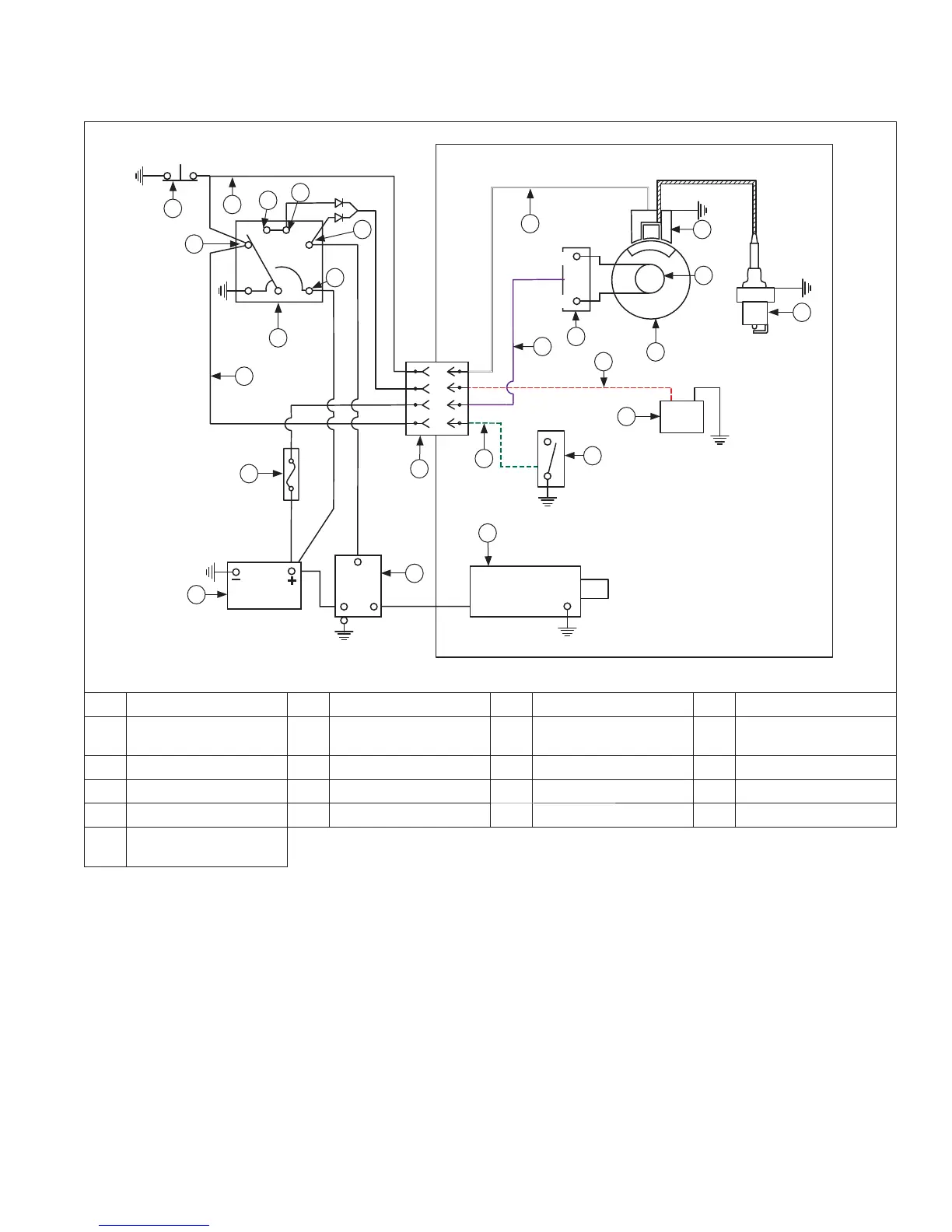
Wiring Diagram-12/15 Amp Regulated Battery Charging System
_
+
H
G
D
Q
R
J
M
O
K
P
E
C
S
N
T
A
F
I
J
S
O
P
AC
AC
B+
L
U
B
A Red B Green C Violet D White
E Spark Plug F
Optional Fuel Shut-off
Solenoid
G
Optional Oil Sentry
Switch (Indicator)
H Bendix Starter
I Engine Connector J Starter Solenoid K Ground-To-Kill Lead L Key Switch
M Optional Oil Sentry
N Optional Fuse O Battery P Rectifi er-Regulator
Q Flywheel R Stator S Ignition Module T Accessory
U
Equipment Safety
Circuit

Table of Contents

Related product manuals