EasyManua.ls Logo

Kohler KS540 - Engine Dimensions-Starter Side

Kohler KS540
92 pages
Print Icon
To Next Page IconTo Next Page
To Next Page IconTo Next Page
To Previous Page IconTo Previous Page
To Previous Page IconTo Previous Page
Loading...
6
Specifi cations
KohlerEngines.com 22 690 01 Rev. --
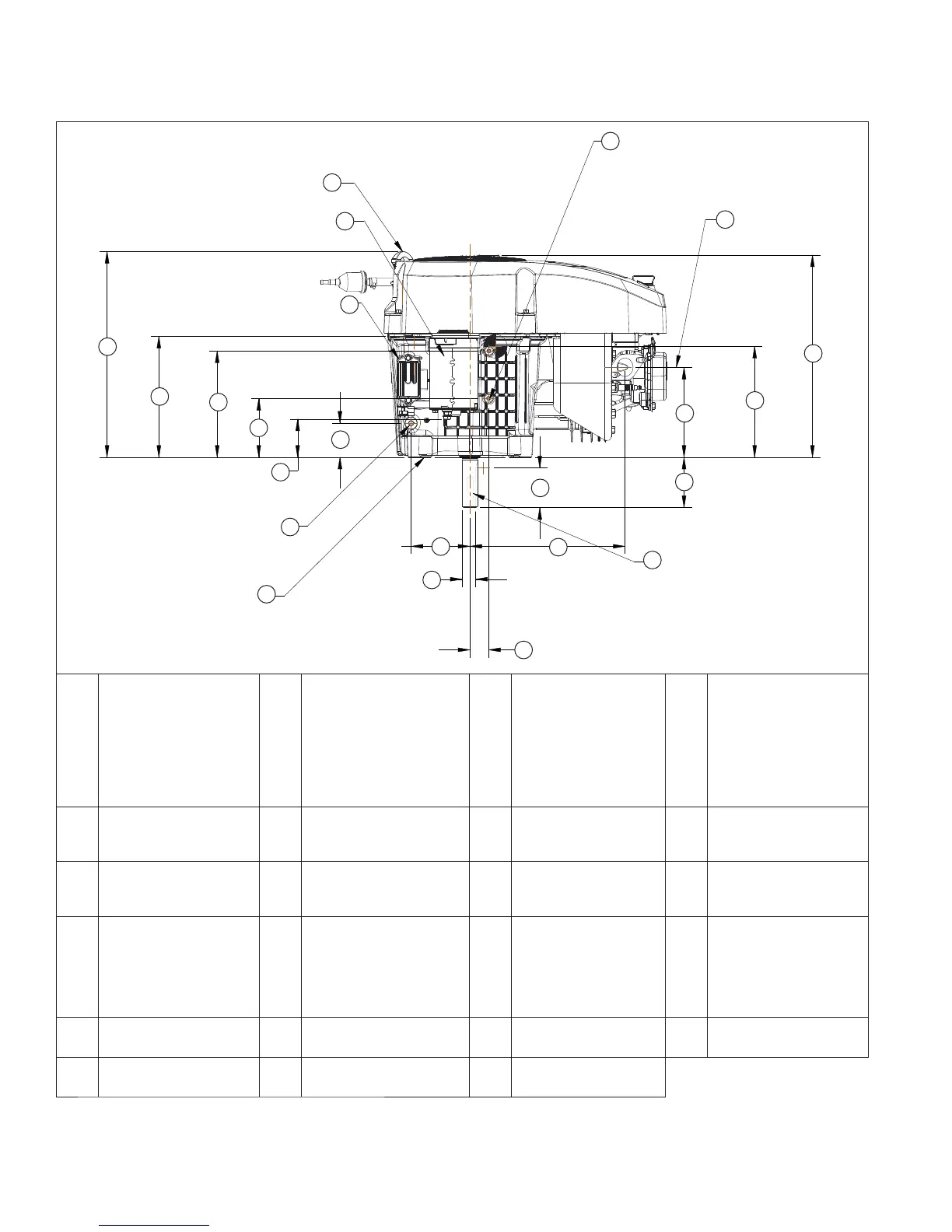
Engine Dimensions-Starter Side
F
E
G
H
I
K
A
B
D
C
J
L
M
N
O
P
Q
R
S
T
U
V
W
A
2 X Cored for M6
Self Tapping
Screw 17.7 mm
(0.70 in.) Min.
Depth
(Accessory
Mounting
Location)
B Exhaust Port Axis C
326.5 mm
(12.85 in.)
D
179.0 mm (7.05 in.)
to Center of
Gravity
E
145.2 mm (5.72 in.)
to Exhaust Port
F 81.3 mm (3.20 in.) G
64.0 mm (2.52 in.)
Keyway Length
H
7/16-20 UNF-2B IN.
38.1 mm (1.50
in.) Depth
I
250.3 mm (9.86 in.)
to Exhaust Port
J 2 X 30.0 mm (1.18 in.) K
21.6-21.8 mm (0.85-
0.86 in.) Keyway
Depth
L 95.0 mm (3.74 in.)
M
Engine Mounting
Surface
N
Cored for M8 Self
Tapping Screw
20.0 mm (0.79 in.)
Min. Depth
(Ground Lug
Location)
O
61.9 mm (2.44 in.) to
Starter Stud
P 55.0 mm (2.17 in.)
Q 95.0 mm (3.74 in.) R 171.5 mm (6.75 in.) S
195.0 mm (7.68 in.)
Lifting Point
T 332.3 mm (13.08 in.)
U
Optional Rectifi er-
Regulator
V Starter Motor W Oil Fill and Dipstick

Table of Contents

Related product manuals