EasyManua.ls Logo

Kohler KS540 - Engine Dimensions - Flywheel Side

Kohler KS540
92 pages
Print Icon
To Next Page IconTo Next Page
To Next Page IconTo Next Page
To Previous Page IconTo Previous Page
To Previous Page IconTo Previous Page
Loading...
5
Specifi cations
22 690 01 Rev. -- KohlerEngines.com
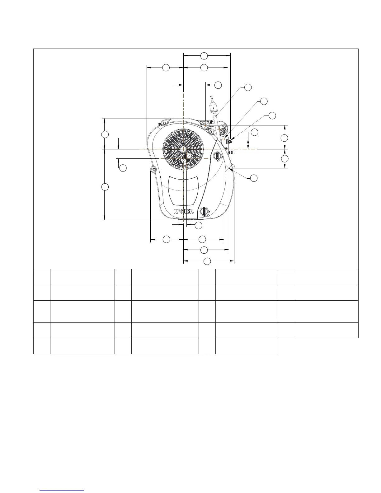
Engine Dimensions-Flywheel Side
F
E
G
H
I
K
A
B
D
C
J
L
M
N
O
P
Q
R
S
A
164.8 mm (6.49 in.)
to Starter
B 212.4 mm (8.36 in.) C
201.3 mm (7.92 in.)
to Oil Filter
D 100.0 mm (3.94 in.)
E Oil Fill and Dipstick F
Ø 10.0 mm (0.39 in.)
Lifting Point
G Throttle Cable Clip H 109.0 mm (4.29 in.)
I 46.5 mm (1.83 in.) J 85.1 mm (3.35 in.) K
Connection for
Evaporative Hose
(7/32" I.D.)
L 228.9 mm (9.01 in.)
M 205.8 mm (8.10 in.) N 182.5 mm (7.19 in.) O
13.9 mm (0.55 in.) to
Center of Gravity
P 148.1 mm (5.83 in.)
Q 317.8 mm (12.51 in.) R
41.2 mm (1.62 in.) to
Center of Gravity
S 139.0 mm (5.47 in.)

Table of Contents

Related product manuals