EasyManua.ls Logo

Kohler KS540 - Engine Dimensions-Oil Filter Side

Kohler KS540
92 pages
Print Icon
To Next Page IconTo Next Page
To Next Page IconTo Next Page
To Previous Page IconTo Previous Page
To Previous Page IconTo Previous Page
Loading...
8
Specifi cations
KohlerEngines.com 22 690 01 Rev. --
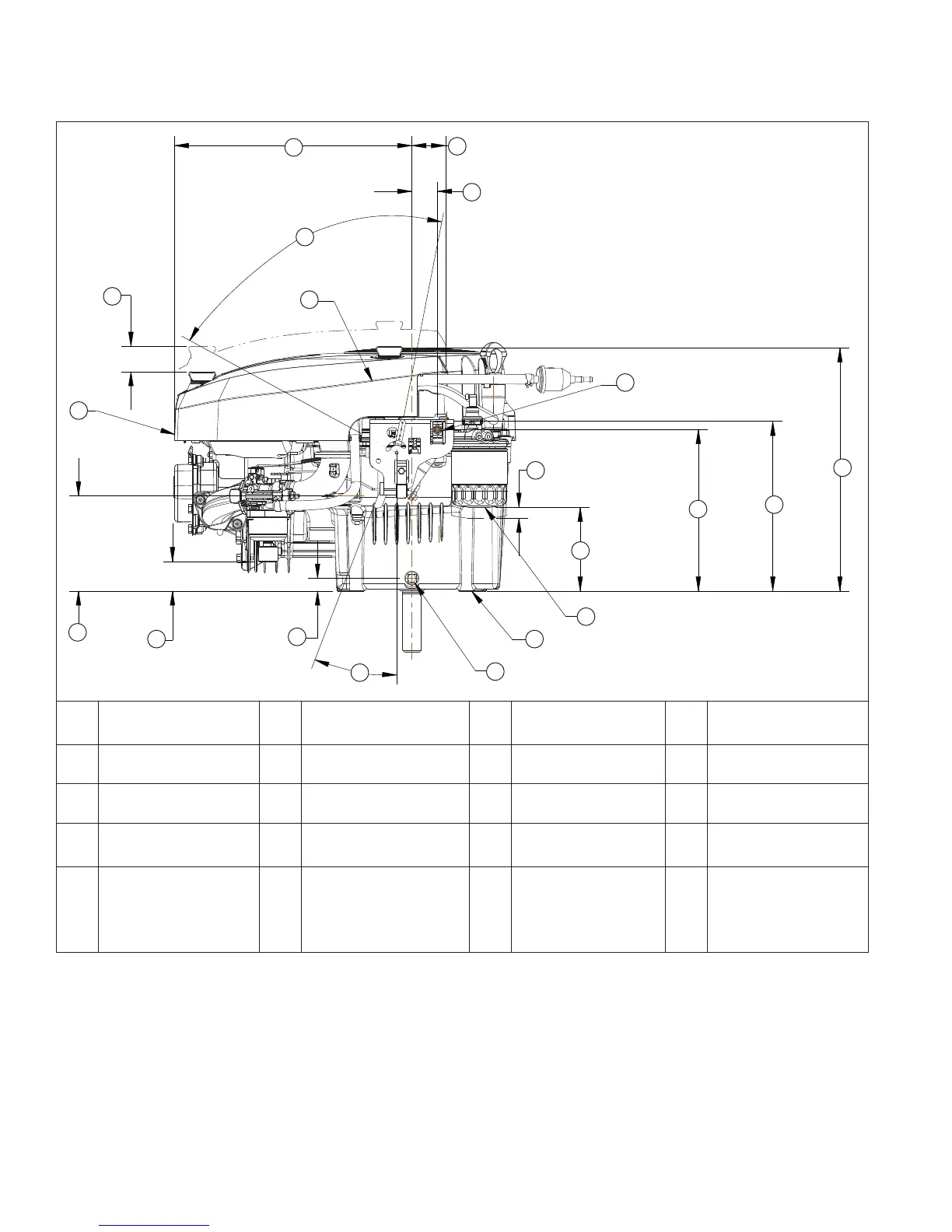
Engine Dimensions-Oil Filter Side
F
E
G
H
I
K
A
B
D
C
J
L
M
N
O
P
Q
R
S
T
A 317.1 mm (12.49 in.) B 45.2 mm (1.78 in.) C 34.3 mm (1.35 in.) D
75.5° Speed Control
Lever Travel
E Optional Fuel Pump F Throttle Cable Clip G
324.9 mm
(12.79 in.)
H
226.7 mm (8.93 in.)
Lifting Point
I 215.7 mm (8.49 in.) J
14.5 mm (0.57 in.) Oil
Filter Removal
K
113.6 mm (4.47 in.) to
Oil Filter
L Oil Filter
M
Engine Mounting
Surface
N
Oil Drain Plug 3/8
N.P.T. IN.
O
6.5° Choke Lever
Travel
P 17.0 mm (0.67 in.)
Q
39.4 mm (1.55 in.) to
Optional
Carburetor
Shutdown
Solenoid
R
127.1 mm (5.01 in.)
Connection for
Evaporative Hose
S Air Filter and Cover T
33.8 mm (1.33 in.) Air
Cleaner Cover
Removal

Table of Contents

Related product manuals