EasyManua.ls Logo

Kollmorgen AKM11B

Kollmorgen AKM11B
42 pages
To Next Page IconTo Next Page
To Next Page IconTo Next Page
To Previous Page IconTo Previous Page
To Previous Page IconTo Previous Page
Loading...
Connections and cables
Data AKM2
Power connection 4 + 4 poles, round, angular
Motorcable, shielded 4 x 1
Motor cable with control leads, shielded 4x1+2x0,75
Resolver connection 12 poles, round, angular
Resolver cable, shielded 4x2x0,25mm²
Encoder connection (option) 17 poles, round, angular
Encoder cable, shielded 7x2x0,25mm²
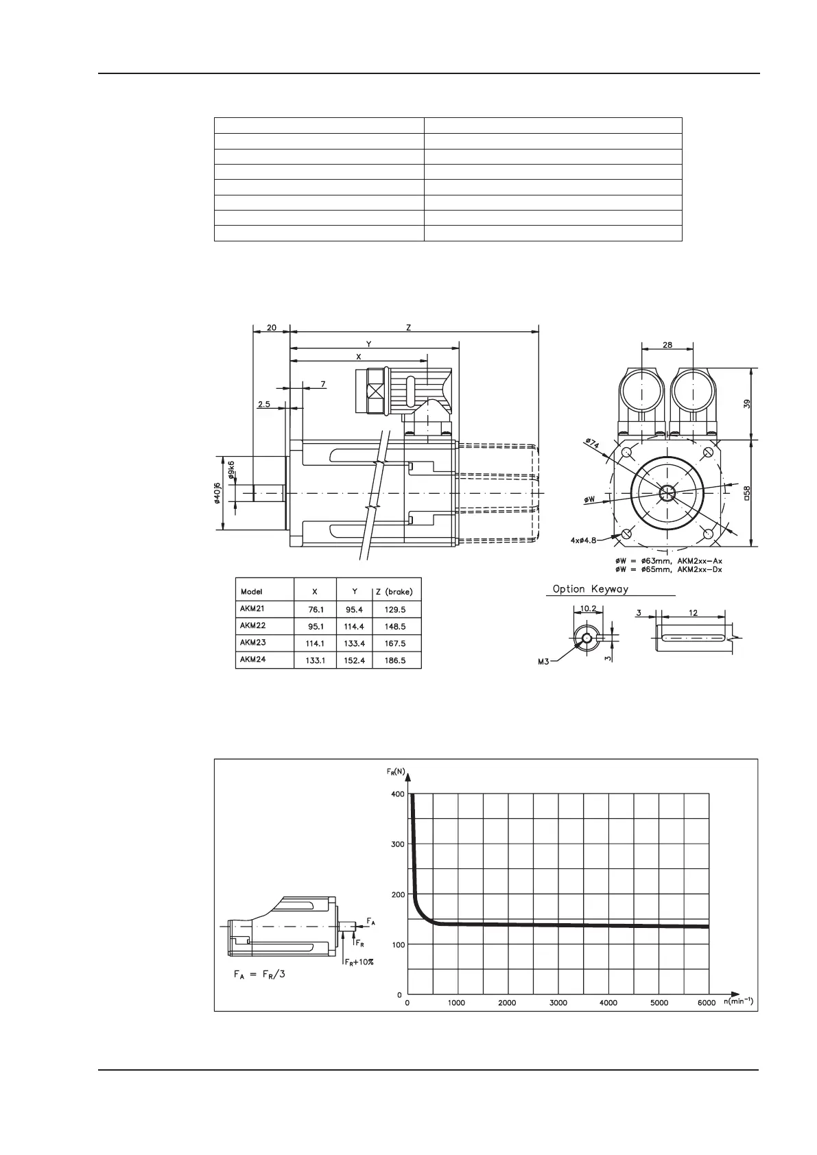
Dimensions (drawing in principle)
Radial-/axial forces at the shaft end
- A.4.043.4/01, 13
Servomotors AKM 27
Kollmorgen 05/2006 Technical Data

Related product manuals