EasyManua.ls Logo

Koolaire KYT0300A - KT1700 3 Ph Self-Contained Air;Water-Cooled

Default Icon
152 pages
Print Icon
To Next Page IconTo Next Page
To Next Page IconTo Next Page
To Previous Page IconTo Previous Page
To Previous Page IconTo Previous Page
Loading...
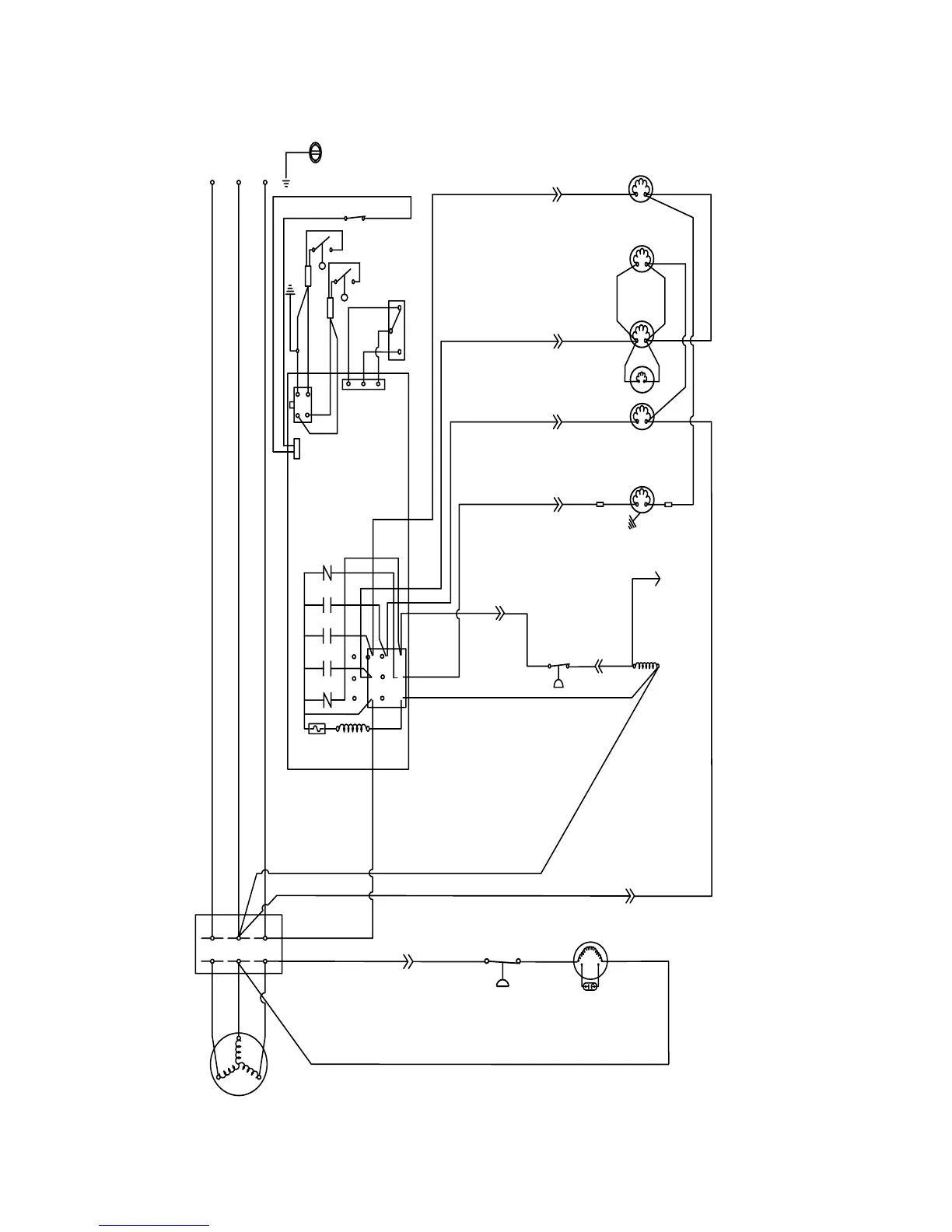
140 Part Number STH063 9/17
3PH SELF-CONTAINED AIR/WATER-COOLED
L1
GND
(22) WHT
(21) BLU
(20) BLU
(99)
WHT
(77) RED
(61) RED
(87)
WHT
(81) WHT
(25) RED
(76) BLK
(60) BLK
(57) GRY
(42)
ORG
(89)
PRPL
(88) PRPL
(58)
PRPL
(56) WHT
(74)
WHT
(75)WHT
(85) BLK
(55)
BLK
L1
000012160_04
(88) RED
(80)
WHT
(59)
ORG
(26)
WHT
(98) GRY
RED
BLK
WHT
BRN
L3
L2
(51) ORG
L2L3
5
(81)
WHT
14
56
1
42
55
17
31
26
3
16
41
19
28 54
15
58
43
27
18
25

Table of Contents

Related product manuals