EasyManua.ls Logo

Kozi 100 & Insert - Diagrams and Parts List; KOZI MX2 TM Control Circuit Diagram

Kozi 100 & Insert
40 pages
Print Icon
To Next Page IconTo Next Page
To Next Page IconTo Next Page
To Previous Page IconTo Previous Page
To Previous Page IconTo Previous Page
Loading...
Page 34
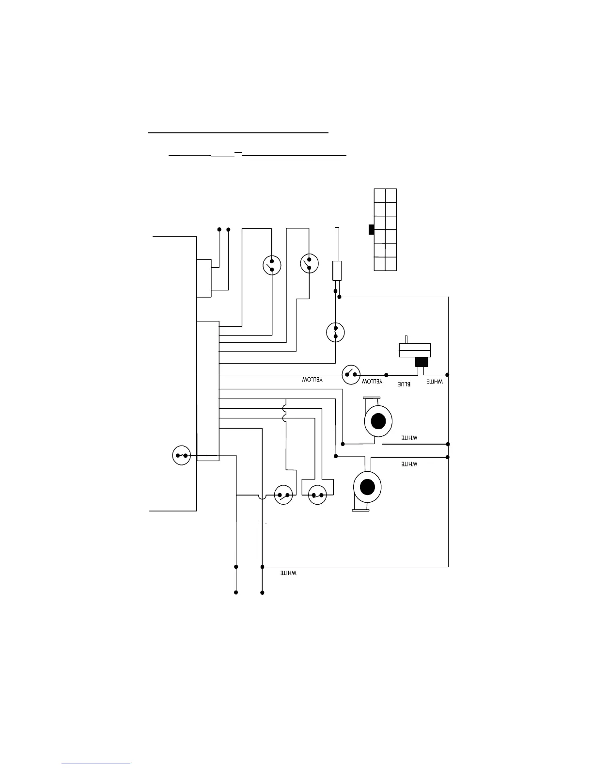
VI. DIAGRAMS AND PARTS LIST
1.
KOZIKOZI
KOZIKOZI
KOZI
MX2MX2
MX2MX2
MX2
TM
Control Circuit Diagram
Molex-12RA
BLACK
WHITE
HOT
COMMON
120 POWER
INPUT
VACUUM SWITCH
GREY
GREY
AUTO/MANUAL
THERMAL-DISK
BROWN
BROWN
T-STAT
REMOTE
MANUAL RESET
THERMALDISK
ORANGE
ORANGE
PINK
BLUE
IGNITER
120 VAC
RED
MOLEX
CONNECTOR
ONG
ONG
PINKGREY
GREY BRN
BLUE
YELL
BRN
WHT BLK
RED
CIRCULATION FAN
120 VAC
EXHAUST FAN
120 VAC
AUGER
MOTOR
120 VAC
KOZI MX
2
CONTROL
FAN
THERMALDISK
PINK
ON BOARD FUSE
GMA 5A 125V
FAST ACTING
RED
IN-LINE FUSE
GMA 5A 125V
FAST ACTING
HOPPER LID
MICRO SWITCH

Table of Contents

Related product manuals