EasyManua.ls Logo

KRB 11 Radius Bender - Mechanical Replacement Parts

Default Icon
56 pages
Print Icon
To Next Page IconTo Next Page
To Next Page IconTo Next Page
To Previous Page IconTo Previous Page
To Previous Page IconTo Previous Page
Loading...
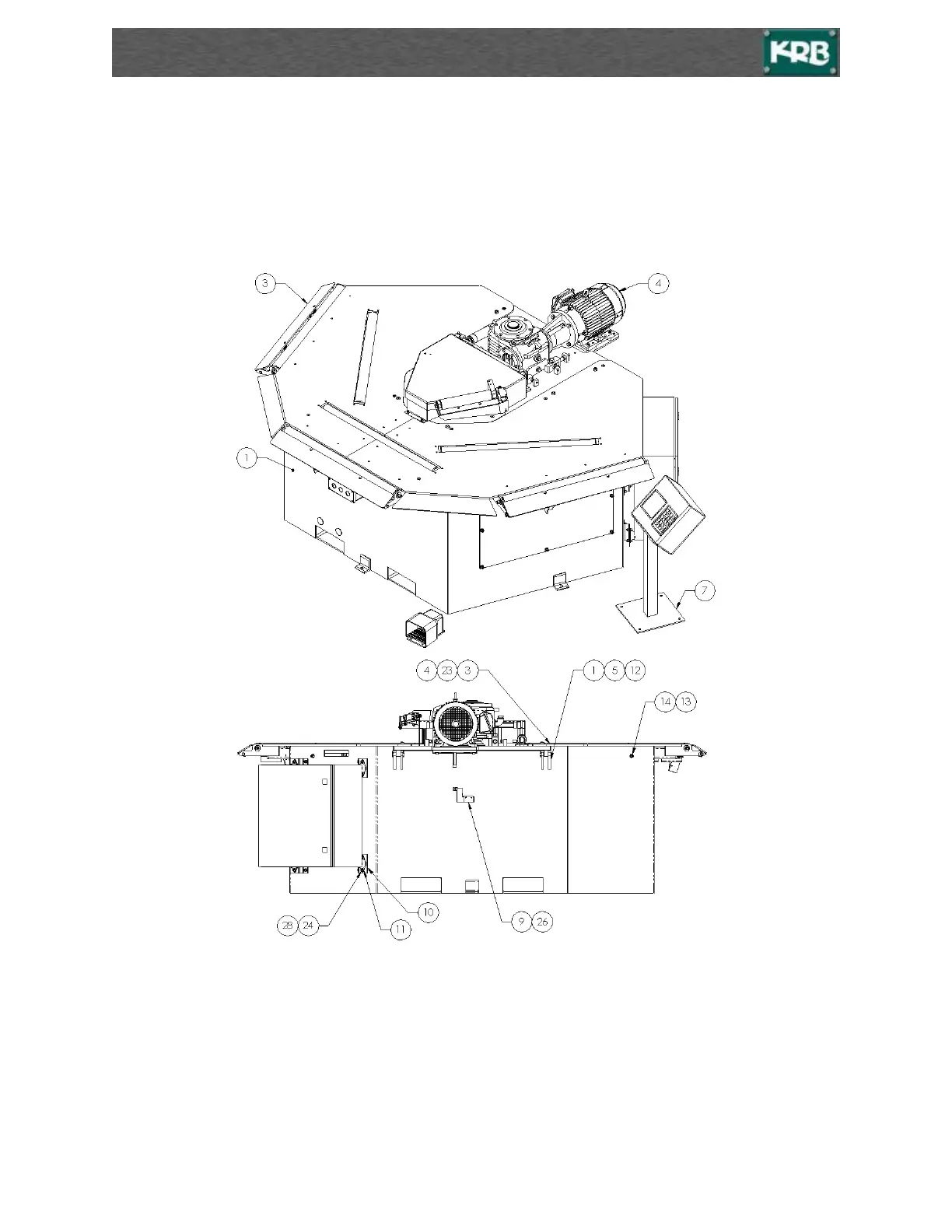
#11 Radius Bender
www.krbmachinery.com
41
V1.12.09.21
MECHANICAL REPLACEMENT PARTS
Main Assembly, 16705-2000