EasyManua.ls Logo

KTE KT-PPC - Auto Parallel Running: Heavy Load & Preference Trip Flowchart

KTE KT-PPC
25 pages
Print Icon
To Next Page IconTo Next Page
To Next Page IconTo Next Page
To Previous Page IconTo Previous Page
To Previous Page IconTo Previous Page
Loading...
Instruction Manual of
Programmable Power Controller (KT-PPC)
REV
1.6E
PAGE : 8 OF 25
Doc No: TIR9402-30-D01
210*297(mm) KTE CO., LTD TI-06(R0)
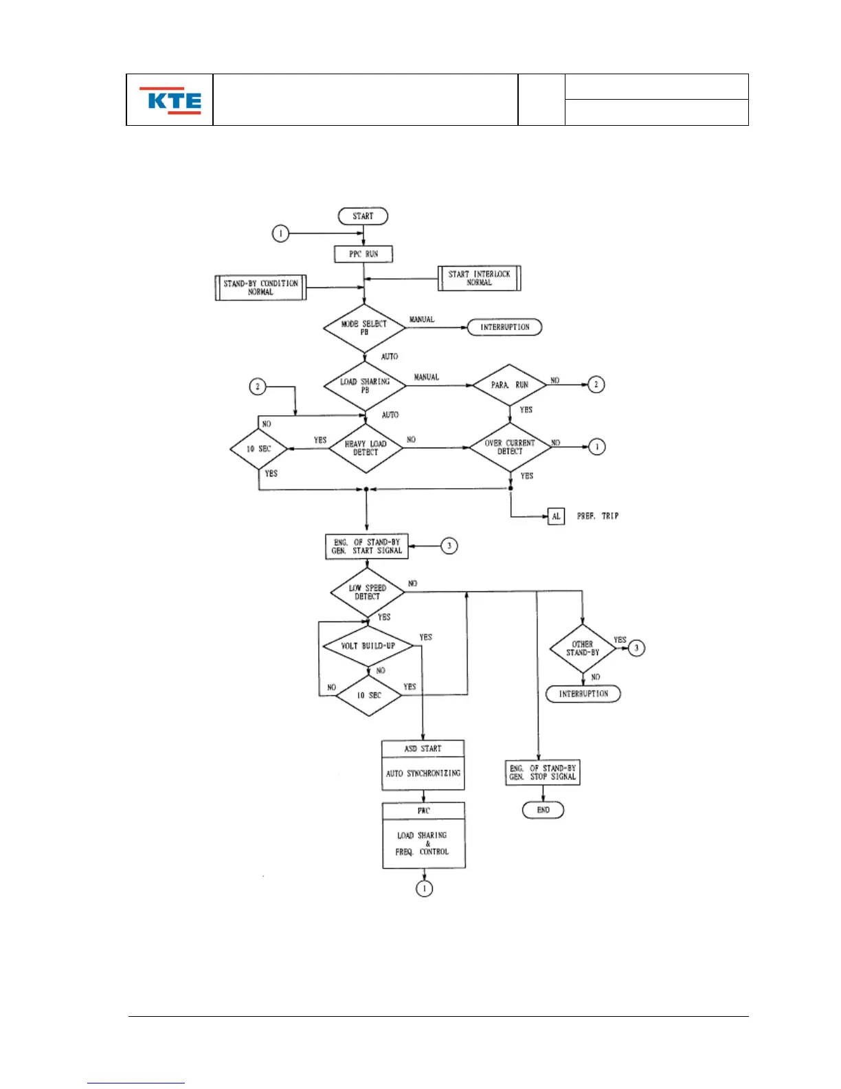
3.1. Auto Parallel Running by Heavy Load & Pref. Trip

Related product manuals