EasyManua.ls Logo

Kubota D1005-E - Page 89

Kubota D1005-E
90 pages
Print Icon
To Next Page IconTo Next Page
To Next Page IconTo Next Page
To Previous Page IconTo Previous Page
To Previous Page IconTo Previous Page
Loading...
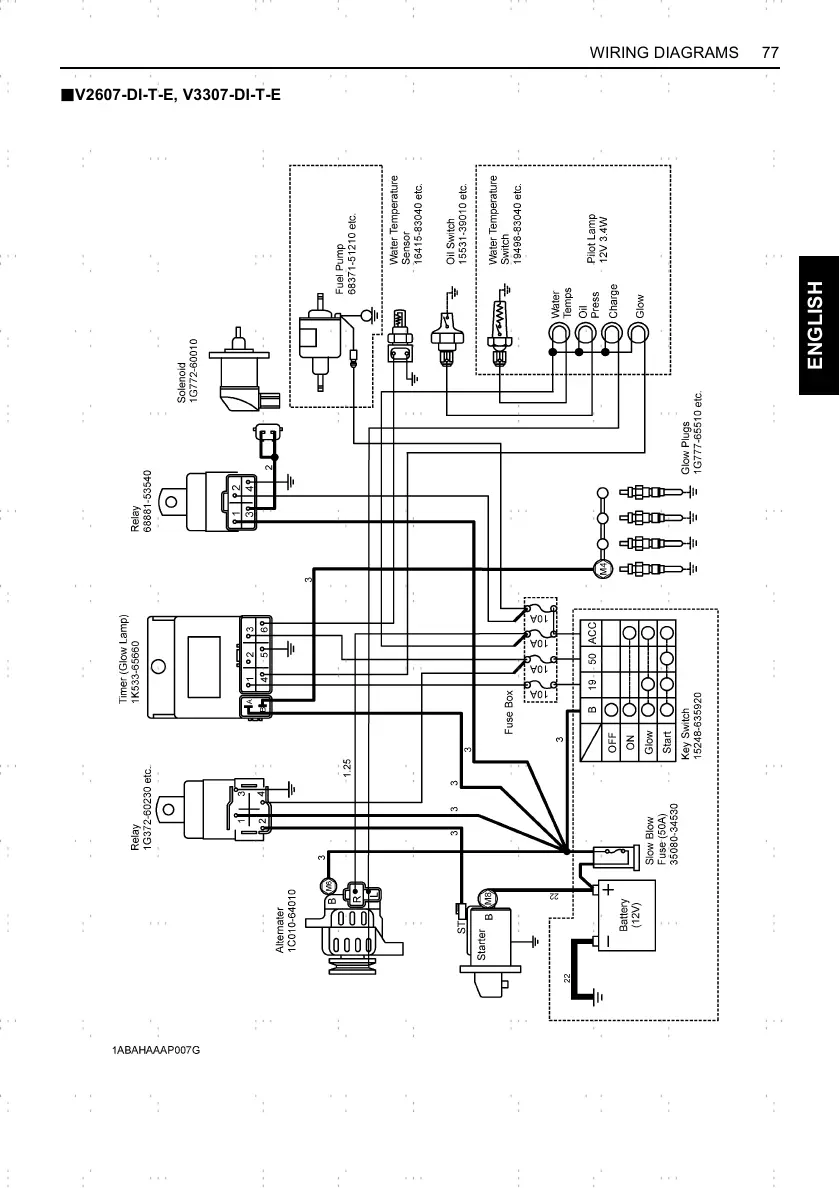
77WIRING DIAGRAMS
ENGLISH
BV2607-DI-T-E, V3307-DI-T-E

Related product manuals