EasyManua.ls Logo

Kubota WSM OC95-E2 - Lubricating System

Kubota WSM OC95-E2
106 pages
Print Icon
To Next Page IconTo Next Page
To Next Page IconTo Next Page
To Previous Page IconTo Previous Page
To Previous Page IconTo Previous Page
Loading...
OC60-E2, OC95-E2, WSM ENGINE
M-4
3. LUBRICATING SYSTEM
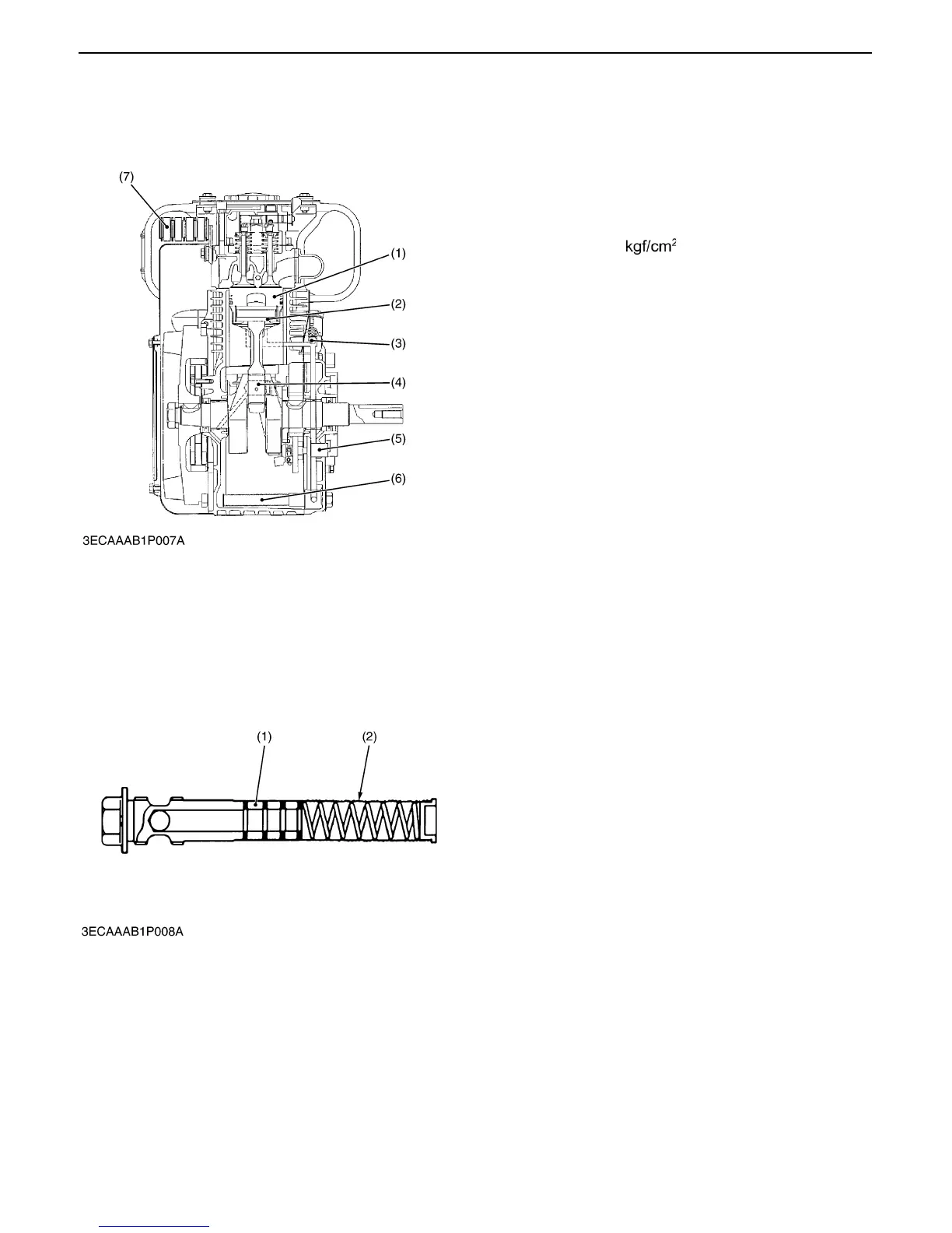
[1] GENERAL
Lubrication is forced on with a trochoid pump.
Lubrication oil is sucked in by the trochoid pump (5) via
an oil strainer (6) mounted on the side of the gear case.
The pressure of lubricating oil discharged from the
trochoid pump is regulated by a relief valve (3) to 147 to
490 kPa (1.5 to 5 , 21 to 71 psi) (at the rated
revolution speed of the engine) and the pressure-
regulated oil then fed to the various portions through the
oil gallery in the cylinder block.
Lubricating oil sent to the oil gallery in the crankshaft
lubricates the crank pin portion (4).
The oil passes along the cylinder liner and reaches
the cylinder head to cool it down. The oil then flows into
the oil cooler (7). The oil cooled there passes through
the relief valve opening of the cylinder head and returns
into the crankcase.
Other items such as the piston (1), piston pin (2),
camshaft, tappet, bearing and rocker arm are lubricated
by splash of the crankshaft, etc.
[2] OIL STRAINER
Entry of foreign material such as iron chips, dirt, etc.
into the lubricating system may damage the lubricated
parts. To prevent this, an oil strainer is equipped prior
to the oil pump. This strainer has a double wounds
stainless steel net (50 meshes) (2) at the outside, and
magnets (1) are mounted inside.
This stainless steel net removes small dirt in the
lubricating oil. Further, fine iron chips passing through
this net are attracted by these magnets to prevent them
from entering the lubricating system.
(1) Piston (5) Trochoid Pump
(2) Piston Pin (6) Oil Strainer
(3) Relief Valve (7) Oil Cooler
(4) Crank PIn
0000009123E
(1) Magnet (2) Stainless Steel Net
0000009128E

Table of Contents

Related product manuals