EasyManua.ls Logo

KYMCO Mongoose 50-4T - Page 236

KYMCO Mongoose 50-4T
258 pages
Print Icon
To Next Page IconTo Next Page
To Next Page IconTo Next Page
To Previous Page IconTo Previous Page
To Previous Page IconTo Previous Page
Loading...
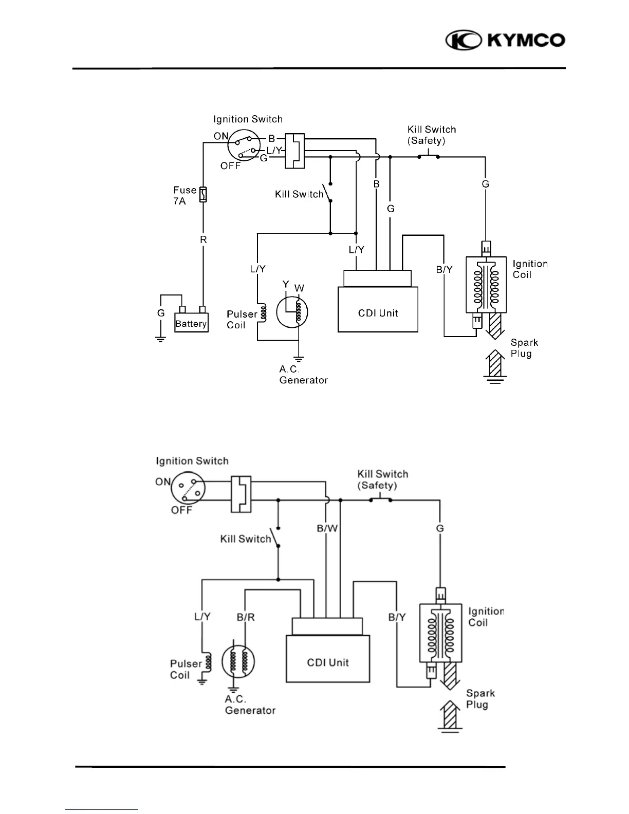
15. IGNITION SYSTEM
15-2
IGNITION CIRCUIT (90cc/70cc/50cc-4T)
IGNITION CIRCUIT (50cc-2T)

Table of Contents

Related product manuals