EasyManua.ls Logo

La Marche TPSD - Changing Transformer Taps Procedure; Figure 8 - Input Terminals Connection (Schematic - 240 VAC Input Shown)

La Marche TPSD
46 pages
Print Icon
To Next Page IconTo Next Page
To Next Page IconTo Next Page
To Previous Page IconTo Previous Page
To Previous Page IconTo Previous Page
Loading...
8
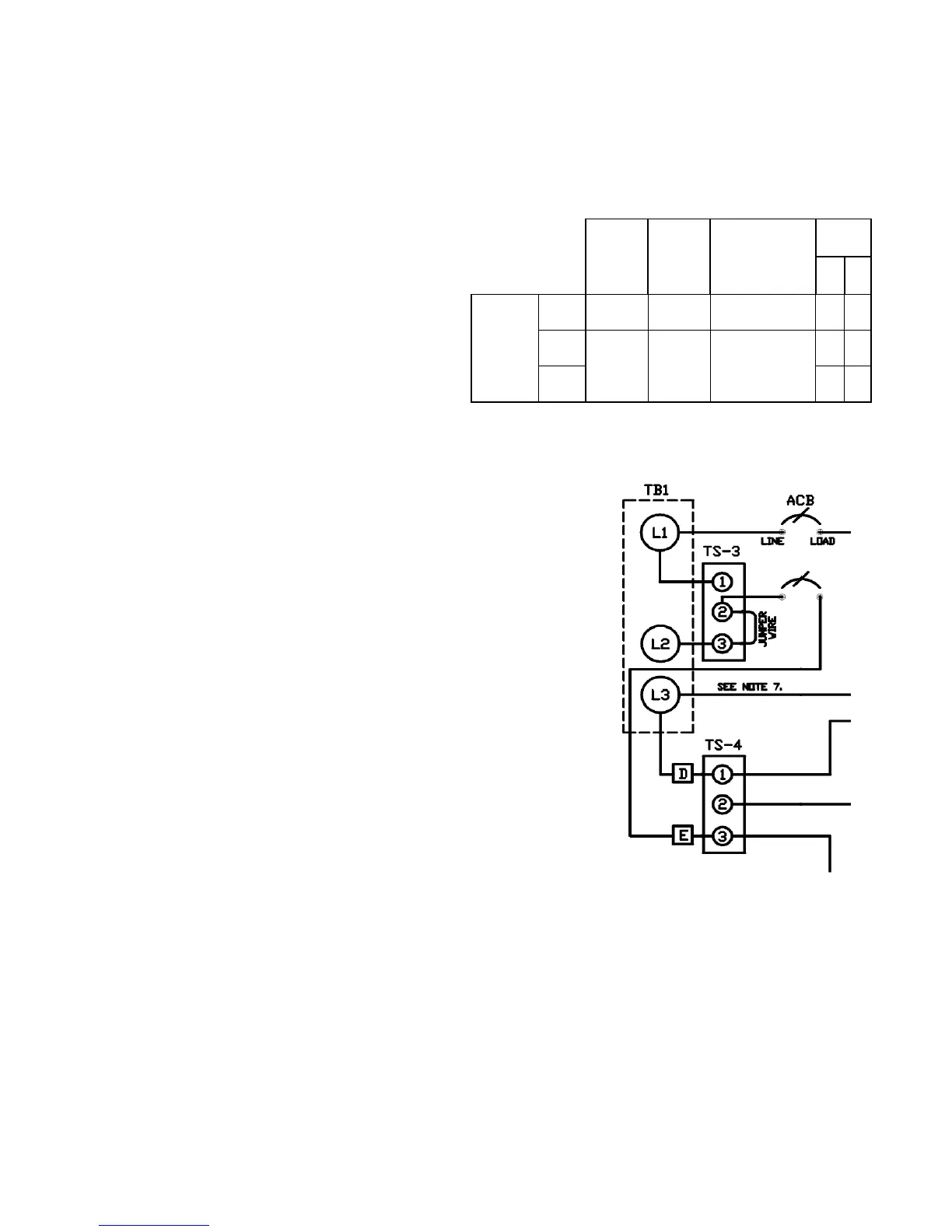
2.2.1 Changing Transformer Taps Procedure
Before beginning any work inside the charger enclosure ensure that all incoming AC supply and DC load wires
are de-energized. Verify that no voltage is present inside the case by using a voltmeter at all input and output
terminals.
For 120 VAC Input Voltage:
1. For terminal strip TS-3, connect a jumper
wire from terminal 1 to terminal 2.
2. For terminal strip TS-4, connect wire
marked D to terminal 3.
3. For terminal strip TS-4, connect wire
marked E to terminal 1.
Note that AC input 1 connects to terminal L1
Note that AC input 2 connects to terminal L3
For 208 VAC Input Voltage:
1. For terminal strip TS-3: connect a jumper wire from
terminal 2 to terminal 3.
2. For terminal strip TS-4: connect wire marked D to
terminal 2.
3. For terminal strip TS-4: connect wire marked E to
terminal 3.
Note that AC in 1 connects to terminal L1
Note that AC in 2 connects to terminal L2
For 240 VAC Input Voltage:
1. For terminal strip TS-3: connect a jumper wire from
terminal 2 to terminal 3.
2. For terminal strip TS-4: connect wire marked D to terminal 1.
3. For terminal strip TS-4: connect wire marked E to terminal 3.
Note that AC in 1 connects to terminal L1
Note that AC in 2 connects to terminal L2
ACin1 ACin2
TS-3
Jumper
Connection
TS-4
DE
INPUT
VAC
120 L1 L3 1-2 3
1
208
L1 L2 2-3
2
3
240 1
3
Figure 8 - Input Terminals Connection
(Schematic – 240VAC input shown)
Table
5
-
Input Terminal Connections

Table of Contents

Other manuals for La Marche TPSD

Related product manuals