EasyManua.ls Logo

La Marche TPSD - Figure 10 - Example Connections (Customer Provided Equipment)

La Marche TPSD
46 pages
Print Icon
To Next Page IconTo Next Page
To Next Page IconTo Next Page
To Previous Page IconTo Previous Page
To Previous Page IconTo Previous Page
Loading...
12
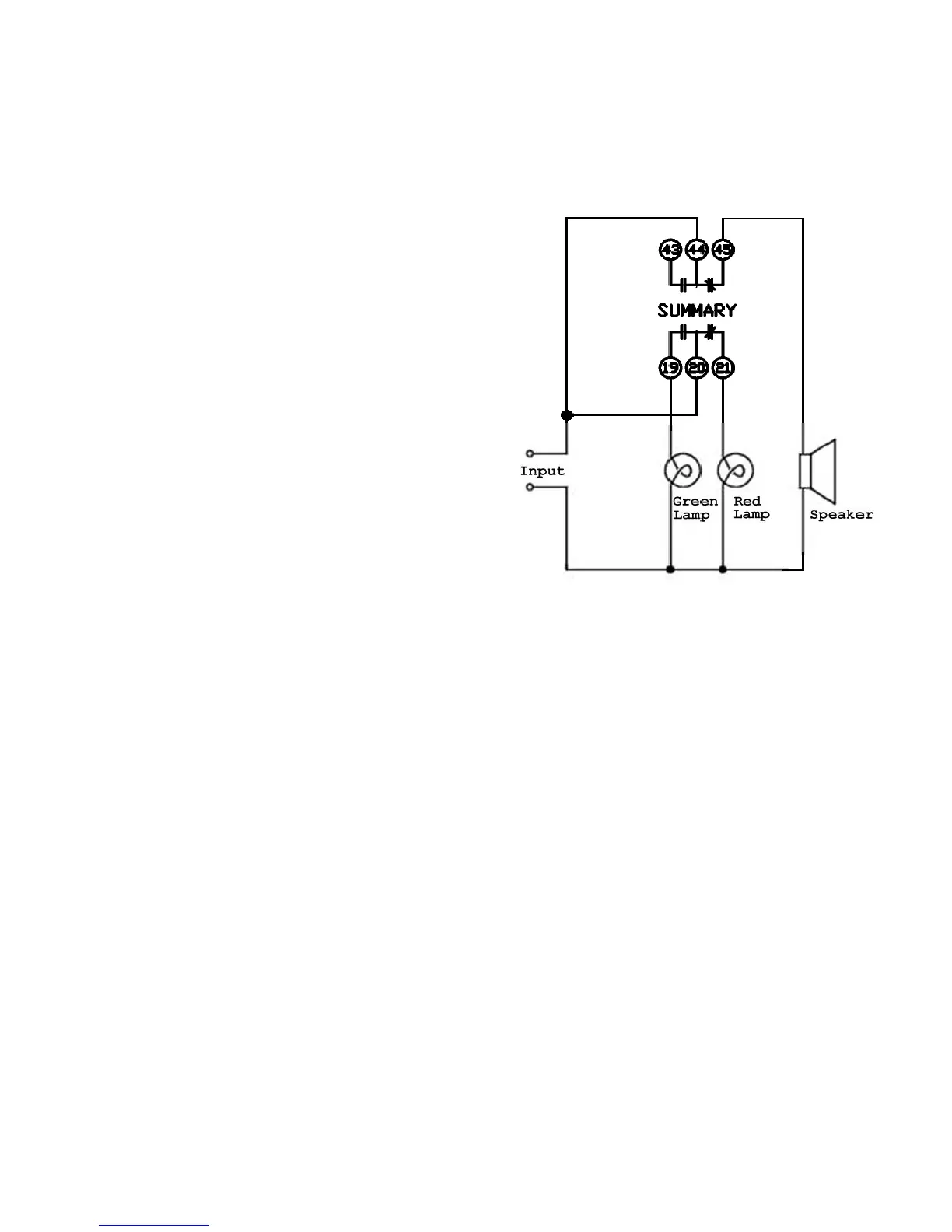
Example of connecting a “Summary” alarm
Before making any connections to the TPSD ensure that the AC Power is off at the main breaker box and that
both of the unit’s breakers are off. Verify that no voltage is present by using a voltmeter at all input and output
terminals.
EXAMPLE:
A customer wants a Green Lamp to be
illuminated at all times and wants a Red Lamp to
illuminate and a speaker to sound when the summary
alarm triggers. The customer would make the connections
to the NC and C contacts on one set of the SUMMARY
relay contacts between the speaker and a power supply.
On the other set of SUMMARY relay contacts they would
connect the NO and C contacts between the Green Lamp
and power supply, and would connect the NC and C
contacts between the Red Lamp and power supply.
Figure 10 - Example Connections (Customer
Provided Equipment)

Table of Contents

Other manuals for La Marche TPSD

Related product manuals