EasyManua.ls Logo

Laars EBP0110 - Page 32

Laars EBP0110
40 pages
Print Icon
To Next Page IconTo Next Page
To Next Page IconTo Next Page
To Previous Page IconTo Previous Page
To Previous Page IconTo Previous Page
Loading...
Page 32
LAARS Heating Systems
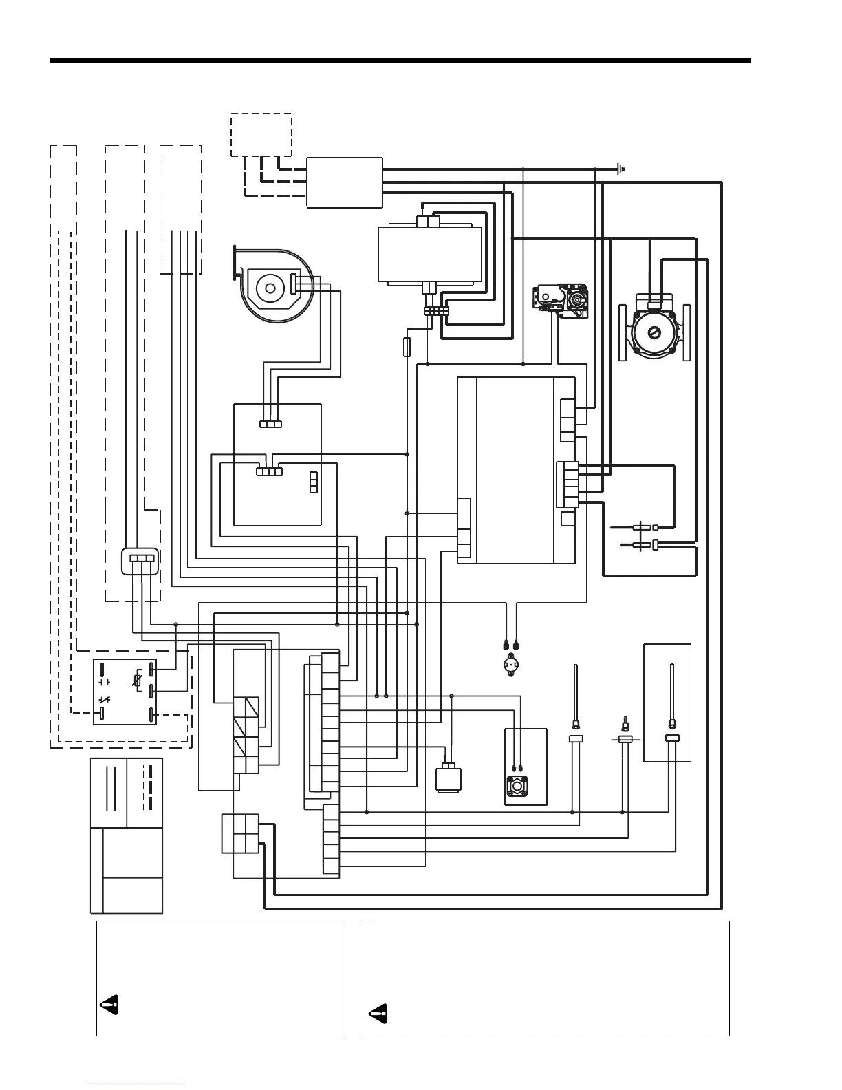
Figure 36. EDP/EDN Wiring Diagram.
R
R
RESET SWITCH
SUPPLY
THERMISTOR
BL
RETURN
THERMISTOR
TANK
THERMISTOR
O
R
GR
FLOW SWITCH
BL
O
GR
R
BLOWER
R
BK
BL
11053300 PWM CONTROL
ACV
IGNITOR
FLAMEROD
E2316600 IGNITION CONTROL
GAS
VALVE
Y
O
SAFETY
SWITCH
24VAC HOT (+)
24 VAC NEUTRAL
TRANSFORMER
4 AMP
FUSE
PUMP
OUTSIDE CIRC.
OAT SENSOR
TSTAT
TSTAT
OAT SENSOR
G
R
O
BL
G
GR
BR
BK
BK
BK
BK
GR
GR
V
V
Y
BL/W
BL/W
BL/W
YBLRR
BR
W
BL
BK
BR
O
V
W/BL
W/BL
BL
G/Y
R
W
BK
BL
O
V
Y
BL
W/BL
W
OUTSIDE CIRC. FEED
BL/W
NEUTRAL
LINE
GROUND
BL
Y
BL
G/Y
G/Y
W
FIELD WIRING
EBP/EDP
W
BK
BK
W/R
R
G
Com
4
5
3
2
1
+
-
Y
BL
EBP ONLY
EDP ONLY
EBP ONLY
EBP ONLY
OUTSIDE CIRC. FEED
OUTSIDE CIRC.
FIELD WIRING
EDP ONLY
FIELD WIRING
EBP ONLY
24V RELAY
W/BL-WHITE WITH
BLUE
W/R-WHITE WITH
RED
24V
115V
FIELD WIRING
24V
115V
G/Y-GREEN WITH
YELLOW
V-VIOLET
GR-GRAY
G-GREEN
O-ORANGE
BR-BROWN
BL-BLUE
Y-YELLOW
R-RED
W-WHITE
BK-BLACK
COLOUR LEGEND
FACTORY WIRING
BL/W
BL/W
G
LINE CONN.
GND
MV1
W
S2
FS
L2
L1
S1
120
S1
240
24 VAC
F2
F1
Signal
+24vdc
PWM
Com
Blower
24 VAC Com
24 VAC (+)
0-10 Com
0-10 Input
T1
5
1
LINE IN
24 VAC
NEU
HOT
HOT
N
FIELD WIRING
SWITCH (FWS)
N HOT GND
Digital In
Analog In
Digital Out2Digital Out1
NOTE 1
DO4
DO5
DO6
CO
12
E2316500 FOR EBP, E2316501 FOR EDP
AOC
AO
DIC
DI5
DI4
DI3
DI2
DI1
HOT
N
24 VAC
AIC
AI1
AI2
AI3
AI4
DO2
DO3
CO1
DO1
CO
13
CO
14
BL/W-BLUE WITH
WHITE
Caution
Label all wires
prior to
disconnection
when servicing
controls.
Wiring errors
can cause
improper and
dangerous
operation.
Verify proper
operation after
servicing.
ATTENTION
Au moment de
l’entretien des
commandes,
étiquetez tous
les fils avant
de les
débrancher.
Les erreurs de
câblage
peuvent nuire
au bon
fonctionnement
et être
dangereuses.
S’assurer que
l’apperiel
fonctionne
adéquatement
une fois
l’entretien
terminé.

Table of Contents

Related product manuals