EasyManua.ls Logo

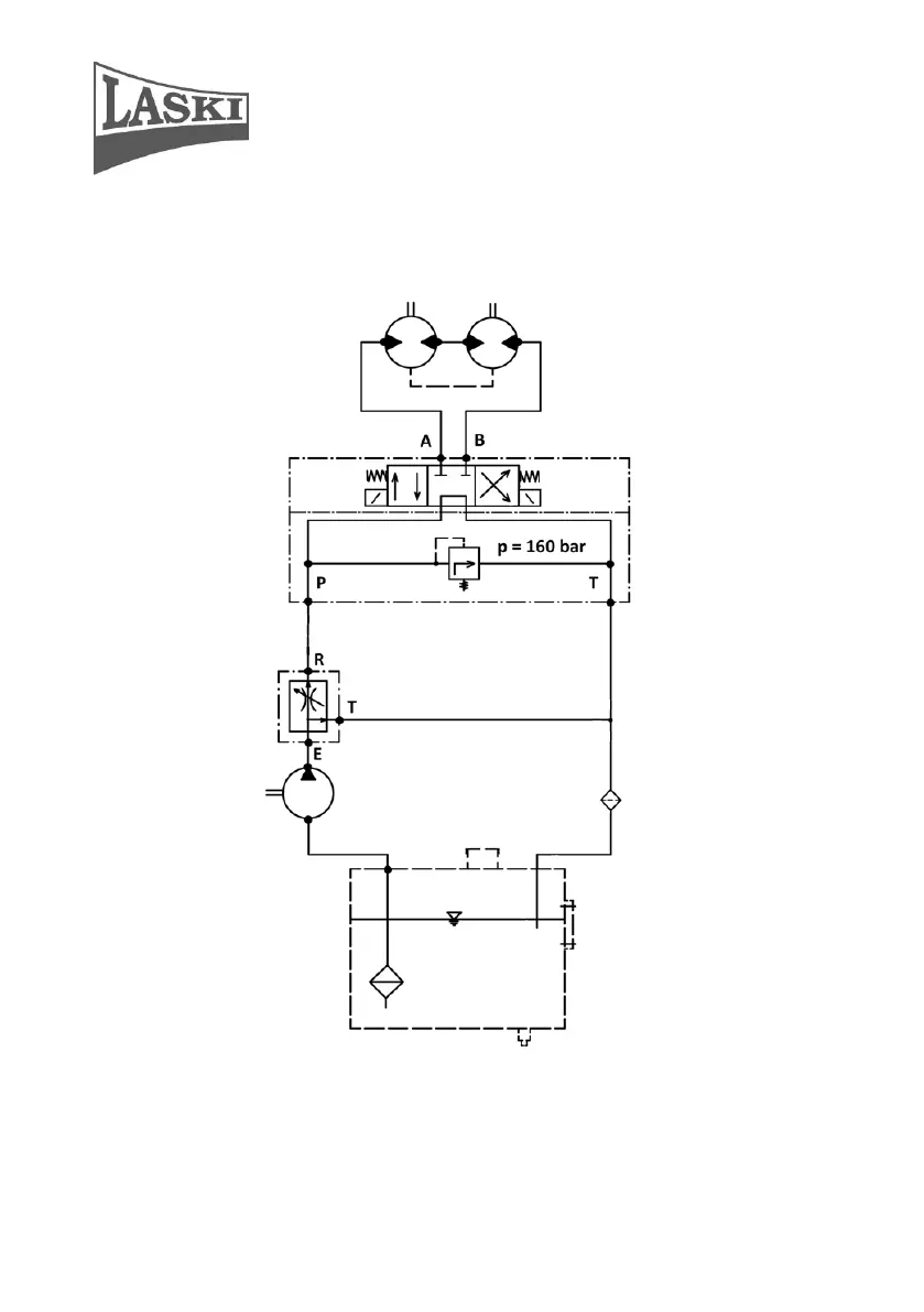
Laski LS 160 - Hydraulic Scheme Diagram; Hydraulic Circuit Components and Flow

Laski LS 160
55 pages
Print Icon
To Next Page IconTo Next Page
To Next Page IconTo Next Page
To Previous Page IconTo Previous Page
To Previous Page IconTo Previous Page
Loading...
Chipper LS 160T
53
Hydraulic scheme

Related product manuals