EasyManua.ls Logo

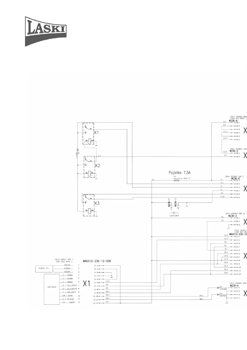
Laski LS 160 - Electrical Wiring Diagram; Main Electrical Connections Overview

Laski LS 160
55 pages
Print Icon
To Next Page IconTo Next Page
To Next Page IconTo Next Page
To Previous Page IconTo Previous Page
To Previous Page IconTo Previous Page
Loading...
Chipper LS 160T
54
ELEKTRICKÉ ZAPOJENÍ / ELEKTRISCHE SCHEMA / WIRING DIAGRAM

Related product manuals