EasyManua.ls Logo

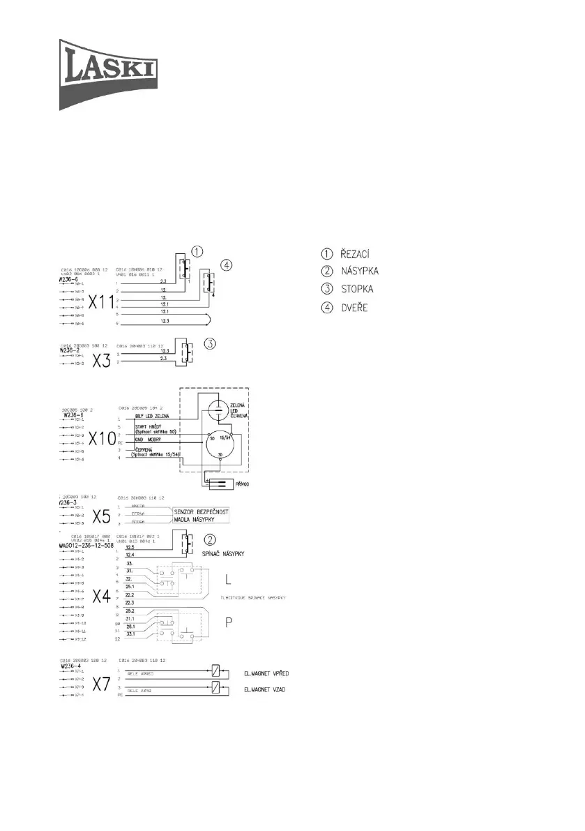
Laski LS 160 - Electrical Schematics and Component Wiring; Sensor and Switch Wiring Details

Laski LS 160
55 pages
Print Icon
To Previous Page IconTo Previous Page
To Previous Page IconTo Previous Page
Loading...
Chipper LS 160T
55
ELEKTRICKÉ ZAPOJENÍ / ELEKTRISCHE SCHEMA / WIRING DIAGRAM

Related product manuals