EasyManua.ls Logo

Lauda Hydro H 4 - 13 Circuit Diagram

Lauda Hydro H 4
34 pages
Print Icon
To Next Page IconTo Next Page
To Next Page IconTo Next Page
To Previous Page IconTo Previous Page
To Previous Page IconTo Previous Page
Loading...
26 / 34 Hydro Water Baths 09/2020
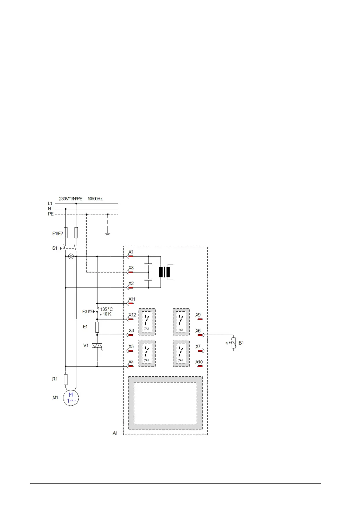
13 Circuit diagram
A1 Electronic temperature regulator
B1 Temperature sensor
E1 Heating element
F1 Fuse 8 A T
F2 Fuse 8 A T
F3 Low water cut-off
M1 Stirrer motor (Models H 8 A / H 16 A)
R1 Multiplier M1 (Models H 8 A / H 16 A)
S1 Main switch
TA1 Key , see chapter 8
TA2 Key , see chapter 8
TA3 Key , see chapter 8
TA4 Key , see chapter 8
V1 Triac

Table of Contents

Related product manuals