EasyManua.ls Logo

Lauda Integral T 2200 - Submenu Analogue inputs

Default Icon
108 pages
Print Icon
To Next Page IconTo Next Page
To Next Page IconTo Next Page
To Previous Page IconTo Previous Page
To Previous Page IconTo Previous Page
Loading...
Integral T process thermostats
21/01/2019 / YAWE 0026 Starting up 63
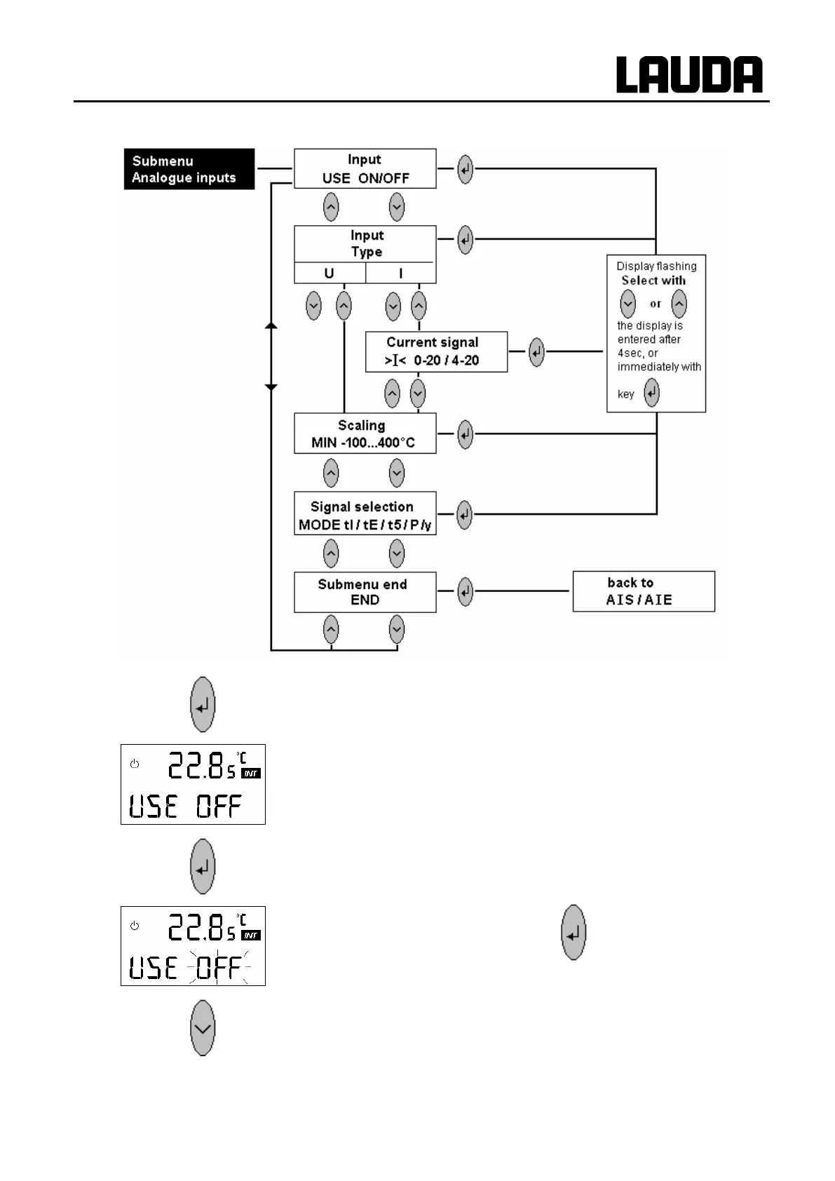
7.6.5.1 Submenu Analogue inputs
From AIS scroll to
USE = here the input setpoint can be switched
(ON/OFF).
Enter required status with .

Table of Contents

Related product manuals