EasyManua.ls Logo

Learjet 25 - DC Power Distribution-Sns 24-190 through 24-229; And 25-030 through 25-064 Except 25-061

Default Icon
373 pages
Print Icon
To Next Page IconTo Next Page
To Next Page IconTo Next Page
To Previous Page IconTo Previous Page
To Previous Page IconTo Previous Page
Loading...
2A-15
FOR TRAINING PURPOSES ONLY
Right standby fuel pump (23 models
without jet pumps)
•Freon and cabin fan systems (SNs 23-
002 through 23-069)
No smoking/fasten seat belt light (some
airplanes)
Emergency pitch trim (SNs 24-130
through 24-229, and 25-003 through
25-064)
•Cabin dump valve (SNs 24-130 through
24-180, and 25-003 through 25-026, and
25-028)
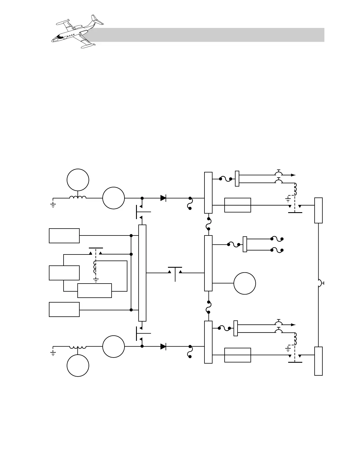
Battery Bus
SNs 23-003 through 24-189, and
25-003 through 25-029
The battery bus is connected directly to the
GPU receptacle and both batteries. The bat-
teries may be charged by a GPU with the bat-
tery switch in OFF. The battery bus is
connected to the battery charging bus by turn-
ing on the battery switch. This also permits ei-
ther generator to charge the batteries. With
the battery switch in OFF, the generators sup-
ply power to all airplane equipment except
the batteries and hot-wired items.
LEARJET 20 SERIES PILOT TRAINING MANUAL
FlightSafety
international
Figure 2A-15. DC Power Distribution—SNs 24-190 through 24-229,
and 25-030 through 25-064 except 25-061
AMMETER
AMMETER
RH
GEN
DC
VOLTMETER
OVERLOAD
SENSOR
OVERLOAD
SENSOR
LH
GEN
RH
BATTERY
LH
BATTERY
EXTERNAL
POWER
EXT. POWER
OVERVOLTAGE
RH GEN
BUS
BATTERY
BUS
BATTERY
CHARGING
BUS
RH FEEDER
BUS RELAY
LH FEEDER
BUS RELAY
LH GEN
BUS
275A
2A
RH IGN START
2A
LH IGN START
2A
RH BUS
2A
LH BUS
275A
START
RELAY
START
RELAY
10A
REVERSE
CURRENT
DIODE
REVERSE
CURRENT
DIODE
33 – 2 VDC
NACELLE
HEAT
BATTERY
RELAY
FL3
275A
NACELLE
HEAT
+
START/GEN
SWITCH
FREON
150A
START/
GEN
SWITCH
STAB HEAT
130A
RH
FEEDER
BUS
LH
FEEDER
BUS
BUS TIE
50A
EFFECTIVE:
SNs 24-190 AND SUBSEQUENT
SNs 25-030 AND SUBSEQUENT

Table of Contents

Related product manuals